why is my engine not running can you help me?

2005 DODGE NEON
300,000 MILES • 2.0L • 4 CYL • 2WD • AUTOMATIC
Avatar
MATHEW DOTSON
  • MEMBER
  • 1 POST
Car was running and driving perfectly normal. Came to a red light and sat for roughly forty five seconds at idle and the car just shut off. Motor cranks fine. Timing belt is still on checking through dust cap. Checked for spark at plugs and all four plugs fire but I cannot even get a sputter or anything with starting fluid. Fuel pump is okay, replaced cam and crank sensors. No change. I had the battery out working on the car so I am guessing codes cleared possibly. Only thing showing now after turning it over is a cam sensor code. P0340. I have checked connectors, wires, etc., I am literally stumped. Is there possibly a way to check the new cam sensor with a meter to make sure it is working correctly? Only thing I can think is that it appears to have spark but possibly not at the correct time. Cam sensor plugged in or not turning the motor over sounds the exact same. Any ideas on where to go from here or things to check with basic tools? I am all ears. Thanks in advance.
Jun 10, 2018 at 5:09 AM
Advertisement
Avatar
JACOBANDNICKOLAS
  • CERTIFIED EXPERT
  • 110,175 POSTS
Hi and thanks for using 2CarPros.com.

This sounds like the crankshaft angle sensor or the fuel pump has gone out, when you turn the key to the on position without cranking the engine over can you hear the fuel pump run in the tank for 5 seconds? These guides should help us fix it.

https://youtu.be/dCjmRL3p4Cs

and

https://www.2carpros.com/articles/car-cranks-but-wont-start


If it will not fire using starting fluid, it is more than a cam sensor. Make sure the spark at the plugs is a good hot blue snapping spark. If it appears white or orange, it may be too weak to run the engine.

Regardless, if you have a scanner, you could check for a cam sensor signal. If you do not, you can check voltage out of the sensor.

On 2.0/2.4L engines a target magnet attaches to the rear of the camshaft and indexes to the correct position. The target magnet has fourteen different poles arranged in an asymmetrical pattern . As the target magnet rotates, the camshaft position sensor senses the change in polarity . The sensor output switch switches from high (5.0 volts) to low (0.5 volts) as the target magnet rotates. When the north pole of the target magnet passes under the sensor, the output switches high. The sensor output switches low when the south pole of the target magnet passes underneath.

Here are the specific replacement directions for your vehicle. Read through them to make sure you didn't miss anything or maybe damage the target magnet.

REMOVAL
The camshaft position sensor is mounted to the rear of the cylinder head.
Remove brake booster hose and electrical connector from holders on end of cylinder head cover and reposition.
Disconnect electrical connectors from camshaft position sensor.
Remove camshaft position sensor mounting screws. Remove sensor.
Loosen screw attaching target magnet to rear of camshaft.
INSTALLATI0N
The camshaft position sensor is mounted to the rear of the cylinder head.
The target magnet has two locating dowels that fit into machined locating holes in end of the camshaft.
Install target magnet in end of camshaft. Tighten mounting screw to 3.4 Nm (30 in. lbs.) torque. Over torquing could cause cracks in magnet. If magnet cracks replace it.
Install camshaft position sensor. Tighten sensor mounting screws to 9 Nm (80 in. lbs. ) torque.
Place brake booster hose and electrical harness in holders on end of valve cover.
Attach electrical connectors to camshaft position sensor.

If you find the sensor is not the issue, I recommend rechecking spark and timing. With starting fluid, you should get something if spark is present. Even if timing is out, I would think a back fire or some indication that there is internal combustion. The only other thing I can think of is compression, but that would have to be all cylinders.

Do me a favor, check compression. That will help me a lot. That way I can determine if there is a timing issue or other internal damage.

Here are some helpful links for checking spark and compression:

https://www.2carpros.com/articles/how-to-test-an-ignition-system

and

https://www.2carpros.com/articles/how-to-test-engine-compression

Check out the diagrams (Below). Let us know what happens and please upload pictures or videos of the problem.
Jun 10, 2018 at 8:48 PM
Avatar
LORA11
  • MEMBER
  • 2 POSTS
I am getting gas, I am getting fire to spark and I changed the camshaft, but my car will not start it sounds like it wants to. Please help.
Apr 1, 2021 at 1:34 PM (Merged)
Advertisement
Avatar
ASEMASTER6371
  • CERTIFIED EXPERT
  • 52,796 POSTS
Avatar
LORA11
  • MEMBER
  • 2 POSTS
I figured out what it was, I had a factory anti theft alarm system put in my car. When I bought it actually it came like that and then someone cut out the main ground and tried to disconnect the alarm and what does a car do when that happens it refuses to start. So I need to know how to reconnect the alarm then my car will start. Please help!
Apr 1, 2021 at 1:34 PM (Merged)
Avatar
STRAILER
  • CERTIFIED EXPERT
  • 53,855 POSTS
Good find, aftermarket alarms cause nothing but trouble. Find the alarm box and follow the wires they will interrupt circuits reconnect the harness wires and you should be all set. Please upload pictures if you need help with the uninstall. Cheers, Ken
Apr 1, 2021 at 1:34 PM (Merged)
Avatar
JOYCE BINGHAM CARTER
  • MEMBER
  • 1 POST
Interment spark while cranking has new CKP sensor, new coil pack, new plugs and wires. The timing correct, relays and fuses good, new fuel pump.
Apr 1, 2021 at 1:38 PM (Merged)
Avatar
JACOBANDNICKOLAS
  • CERTIFIED EXPERT
  • 110,175 POSTS
Hi and thanks for using 2CarPros.com.

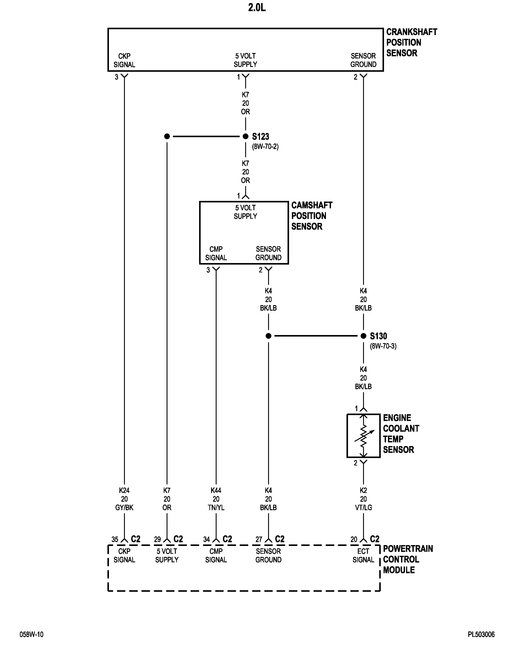
First, here is the description of the crankshaft position sensor, how it works, and its function:


The PCM sends approximately 5 volts to the Hall-effect sensor. This voltage is required to operate the Hall-effect chip and the electronics inside the sensor. A ground for the sensor is provided through the sensor return circuit. The input to the PCM occurs on a 5 volt output reference circuit that operates as follows: The Hall-effect sensor contains a powerful magnet. As the magnetic field passes over the dense portion of the counterweight, the 5-volt signal is pulled to ground (.3 volts) through a transistor in the sensor. When the magnetic field passes over the notches in the crankshaft counter weight, the magnetic field turns off the transistor in the sensor, causing the PCM to register the 5-volt signal. The PCM identifies crankshaft position by registering the change from 5 to 0 volts, as signaled from the Crankshaft Position sensor.

As you can tell, that is right from the manual, but I did it for a reason. If you are only getting spark on and off, either the counter weight is damages, the wiring or connector is damages or corroded, or the PCM is bad.

The first thing I need you to do is check to make sure there is a 5 volt signal from the PCM. If you have a 5 volt reference, next you need to check if there is a .3 volt signal through the sensor ground. If there is, make sure there is a signal from the sensor itself when cranking. The easiest way to do that is with a live data scanner. If you find any of these is a problem, you need to trace wiring to see if there is a broken or corroded connection. Often times, the crankshaft sensor plug is damaged and does not allow for a good connection, so check that first.

I have attached a picture of the plug at the sensor as well as a picture indicating what each pin should do. The last picture is a wiring schematic of the ignition system/crankshaft position sensor.

Let me know what you find or if you have questions. I hope this helps.

Take care,
Joe
Apr 1, 2021 at 1:38 PM (Merged)
Avatar
ANDREW DAHL
  • MEMBER
  • 1 POST
My car blew out a spark plug so I replaced it and it ran for a minute and then I turned it off and it stopped running. I thought maybe it ran out of gas, I put gas in it and that did not do anything. the fuel pump works, but the car is not getting fuel to the engine. what is the problem or what do you think would help?
Apr 1, 2021 at 1:39 PM (Merged)
Avatar
STEVE W.
  • CERTIFIED EXPERT
  • 15,113 POSTS
How did you test the fuel pump? If just "I can hear it run" you will want to do a pressure test on it. It may not be producing enough pressure.
https://www.2carpros.com/articles/how-to-check-fuel-system-pressure-and-regulator
You can usually "borrow" the tester from a parts store.

Next verify that you have spark, The plug blowing out could have damaged the ignition coil by allowing the spark energy to go through it internally.

Once you are sure the fuel pressure is good and you have spark we can go farther.
Apr 1, 2021 at 1:39 PM (Merged)
Avatar
BK36
  • MEMBER
  • 1 POST
I've recently been having problems getting my car to start. The engine turns, but won't start all the way up. I took it to the shop and they claim it was the pc valve which they replaced with a new one. However, it's been acting up again. I've changed the spark plugs, wire set, and the core pack. I have noticed when i take the pc valve off, so the engine get breath in fresh air for a minute or two, put it back on, the car seems to start right up for a couple of days and then repeats itself. I'm not understanding this. Any suggestions?

Benjamin
Apr 1, 2021 at 1:40 PM (Merged)
Avatar
KHLOW2008
  • CERTIFIED EXPERT
  • 41,814 POSTS
I don't see how the PCV could be related to non starting. When engine could not be started, you need to find out what is missing. The link below explains what to look for.

https://www.2carpros.com/articles/car-cranks-but-wont-start

Is the Malfunction Indicator Light showing and was there any trouble codes?

Apr 1, 2021 at 1:40 PM (Merged)
Avatar
JRSYBOI
  • MEMBER
  • 3 POSTS
Just recently had to replace the head gasket. Did everything to spec and put back together pushed outside and started no problem. Shut it off and tried to start again and no start but turns over.
Replaced:
Ignition coil
Spark plugs and wires
Camshaft/crankshaft/throttle position sensor
Checked all relays
Please help I am missing work. Thank you all so much for your help.
Apr 1, 2021 at 1:41 PM (Merged)
Avatar
ASEMASTER6371
  • CERTIFIED EXPERT
  • 52,796 POSTS
Good evening,

Did you check for spark? Remove a plug wire and crank the motor and look for a nice sharp arc from the wire.

Did you check fuel pressure? Needs fuel to run. Can you hear the fuel pump run?

https://www.2carpros.com/articles/how-to-check-fuel-system-pressure-and-regulator

Lastly, did you check compression to be sure the timing belt did not move?

https://www.2carpros.com/articles/how-to-test-engine-compression

Roy
Apr 1, 2021 at 1:41 PM (Merged)
Avatar
JRSYBOI
  • MEMBER
  • 3 POSTS
Yes, I did check spark and it was good. Fuel pump kicks in but haven't checked fuel pressure waiting for Friday. Checking compression today.
Apr 1, 2021 at 1:41 PM (Merged)
Avatar
ASEMASTER6371
  • CERTIFIED EXPERT
  • 52,796 POSTS
Keep us updated.

Roy
Apr 1, 2021 at 1:41 PM (Merged)
Avatar
JRSYBOI
  • MEMBER
  • 3 POSTS
Checked the compression and there was nothing in any of the 4 cylinders and tried more then once and nothing
Apr 1, 2021 at 1:41 PM (Merged)
Avatar
ASEMASTER6371
  • CERTIFIED EXPERT
  • 52,796 POSTS
Okay, if there is no compression, it sounds like the timing belt has failed and has damaged the valves.

https://www.2carpros.com/articles/the-reasons-for-low-compression

This sounds like you will need to remove the head and replace all the valves. This engine is an interference engine which means when the timing belts fails, the pistons will hit the valves and bend them.

https://www.2carpros.com/articles/how-a-timing-belt-works

Roy
Apr 1, 2021 at 1:41 PM (Merged)
Avatar
WING NUT
  • MEMBER
  • 1 POST
I reassembled this neon after a minor front end wreck. I have done three of these now, but car electrical has never been my thing. Ran excellent for a few days, but the windshield washer pump was not working. I pulled a few fuses under the hood (without disconnecting the battery, car not running of course) and reinstalled them. Let the car sit for a few days cause of bad weather. Looked at the inside fuses. Wanted to take the car to a friends indoor shop to look into it more in detail as well as do the front breaks, but the car will not start now. Car cranks and it has fuel pressure in the lines, but not getting spark. Did I do something wrong? What should I look at, or what may be the problem??
Apr 1, 2021 at 1:41 PM (Merged)
Avatar
CARADIODOC
  • CERTIFIED EXPERT
  • 34,308 POSTS
Is the "Check Engine" light on? Is the Automatic Shutdown (ASD) relay turning on? Watch that relay with the cover off. You can also measure for battery voltage on the small terminals on the back of the alternator. Ignition coil too, but I'm not sure which wire. It's easier to just watch the ASD relay.

That relay will turn on for up to two seconds when you turn the ignition switch to "Run", then it will turn off. During that two seconds, battery voltage will be applied to the ignition coils, fuel injectors, alternator field terminal, and the fuel pump or pump relay. That's where your fuel pressure is coming from.

After that, the engine computer will turn the ASD relay back on when it sees engine rotation, (cranking or running). However, if the cam timing is off, the computer won't turn the relay on. One tooth off on the timing belt and the Check Engine light will come. Two teeth off and the engine will shut down. Three teeth off and a piston could hit a valve.

If the timing marks are correct, remove the camshaft sprocket and look at the dowel pin. It will likely be broken. The cam slips just a little on the sprocket making it late. The cam sensor is on the other end of the head so its pulses are late too compared to the crankshaft position sensor.

After replacing the dowel pin, rotate the engine at least two revolutions by hand, then recheck the timing marks. Now it's ready to start.

caradiodoc
Apr 1, 2021 at 1:41 PM (Merged)
Avatar
JENNY STAMM
  • MEMBER
  • 9 POSTS
We replaced the headgasket and now the car cranks but won't start. We have double checked the timing belt, we have spark and fuel. New cam and crank sensors.
Apr 1, 2021 at 1:43 PM (Merged)
Avatar
JACOBANDNICKOLAS
  • CERTIFIED EXPERT
  • 110,175 POSTS
Welcome to 2CarPros.

If the engine is timed correctly, you have spark and fuel and compression, it has no choice to but to run. Do me a favor. See if it will fire if you use starting fluid. If it does run for a couple seconds and stalls, we know it's a fuel related issue. The injectors may not be getting a pulse. If it still doesn't and you are certain it is getting spark, check compression. Compression will prevent it from running. Also, by checking we can confirm it is within spec as well as if timing is wrong.

Here are a couple links you may find helpful:

https://www.2carpros.com/articles/how-to-test-engine-compression

https://www.2carpros.com/articles/car-cranks-but-wont-start

If you could, record it when you are cranking the engine so I can hear it. I will be able to tell a lot from how it sounds.

I will watch for your reply.

Take care,
Joe
Apr 1, 2021 at 1:43 PM (Merged)
Avatar
JENNY STAMM
  • MEMBER
  • 9 POSTS
We have triple checked the timing and we tried using starter fluid and we still have crank with no spark. Tomorrow I will record it when we get back to working on it.
Apr 1, 2021 at 1:43 PM (Merged)
Avatar
JACOBANDNICKOLAS
  • CERTIFIED EXPERT
  • 110,175 POSTS
Welcome back:

You mentioned in the first post there was spark and fuel. Please confirm.

Joe
Apr 1, 2021 at 1:43 PM (Merged)
Avatar
JENNY STAMM
  • MEMBER
  • 9 POSTS
Yes, I am sorry I meant to say crank with no start. We have spark and fuel. We tested the pressure at the fuel rail and it is consistent at 60.
Apr 1, 2021 at 1:43 PM (Merged)
Avatar
JENNY STAMM
  • MEMBER
  • 9 POSTS
We are at a loss prior to the head gasket replacement the car ran great. After we put it back together and it started fine for two days and then it threw a camshaft code. So we replaced the cam and crank sensors and now it won't start.
Apr 1, 2021 at 1:43 PM (Merged)
Avatar
JENNY STAMM
  • MEMBER
  • 9 POSTS
Checked compression and it's 160 on all 4 cylinders. All injectors are pulsing.
Apr 1, 2021 at 1:43 PM (Merged)
Avatar
JACOBANDNICKOLAS
  • CERTIFIED EXPERT
  • 110,175 POSTS
Welcome back:

I listened to the video and it's is firing and trying to start. Do me a favor, reconfirm there are no major vacuum leaks. Also, hold the throttle to the floor to see if that makes a difference (it will shut down the fuel to the engine in case it's flooding). Last, pull an O2 sensor (pre cat) out to see if something is blocking the exhaust.
Apr 1, 2021 at 1:43 PM (Merged)
Avatar
JENNY STAMM
  • MEMBER
  • 9 POSTS
It's been a few days but we have confirmed no vacuum leaks, no clogged catalytic converter, when you hold the gas pedal down the car backfires. We have now replaced the wiring harness for the cam sensor. Still no change. We also have a reader that is saying spark advance is 9 degrees.
Apr 1, 2021 at 1:43 PM (Merged)
Avatar
JACOBANDNICKOLAS
  • CERTIFIED EXPERT
  • 110,175 POSTS
Welcome back:

Is it backfiring through the exhaust or intake? Have you confirmed fuel pressure? If not, pull the fuel pump fuse and see if it starts for a couple seconds.

Here is a link that explains backfire issues. Interestingly, when you full throttle an injected vehicle, it shuts fuel off or limits it to the injectors. Have you pulled plugs to see if they are wet?

https://www.2carpros.com/articles/engine-backfires-while-running

Let me know.
Apr 1, 2021 at 1:43 PM (Merged)
Avatar
JENNY STAMM
  • MEMBER
  • 9 POSTS
We have 60 psi in the fuel rail and when we pulled the plugs out they have fuel on them. we are going to pull the fuse tomorrow and see what happens. It is backfiring into the intake. We have pulled the air box out and it shot flames out.
Apr 1, 2021 at 1:43 PM (Merged)
Avatar
JACOBANDNICKOLAS
  • CERTIFIED EXPERT
  • 110,175 POSTS
If it's firing through the intake like that, either you have a stuck intake valve or timing is wrong. Something isn't adding up.

Let me know what you find.

Joe
Apr 1, 2021 at 1:43 PM (Merged)
Avatar
JENNY STAMM
  • MEMBER
  • 9 POSTS
Okay, thank you.
Apr 1, 2021 at 1:43 PM (Merged)
Avatar
JACOBANDNICKOLAS
  • CERTIFIED EXPERT
  • 110,175 POSTS
Welcome back:

If you remove the valve cover and crank the engine, you should be able to see if there is a valve sticking or any issues.

If you see no issues there, you need to recheck the timing. Do you have all the directions for replacing the belt?

Here are directions for checking engine / valve timing. The attached pictures correlate with the directions.
______________________________

2003 Dodge Neon L4-2.0L VIN C
Valve Timing - Verification
Vehicle Engine, Cooling and Exhaust Engine Timing Components Testing and Inspection Component Tests and General Diagnostics Valve Timing - Verification
VALVE TIMING - VERIFICATION
VALVE TIMING VERIFICATION
1. Remove number one spark plug.
2. Using a dial indicator, set number one cylinder to TDC on the compression stroke.


pic 1


3. Remove the access plug from the front timing belt cover (Fig. 161).


pic 2


4. Check the timing mark on the camshaft sprocket. Mark should align with the arrow on the timing belt rear cover (Fig. 157).

The last 3 pictures show timing marks.


Let me know what you find.

Joe
Apr 1, 2021 at 1:43 PM (Merged)
Avatar
JENNY STAMM
  • MEMBER
  • 9 POSTS
We will check the valves tomorrow and as far as the timing we have triple checked and it is dead set. Is there any chance that the timing needs to be off by one tooth? We can't figure out why it is saying that spark is advanced 9 degrees.
Apr 1, 2021 at 1:43 PM (Merged)
Avatar
JACOBANDNICKOLAS
  • CERTIFIED EXPERT
  • 110,175 POSTS
Welcome back:

The 9° BTDC is ignition timing and not engine. That isn't out of the ordinary. The only thing that I question is timing. Now, that could be mechanical timing (the belt) or ignition. I am not concerned with the 9° because it will run perfectly fine there. But something is causing an issue. The only other thing I can think of is the cam sensor that you replaced. At the end of the cam are two locating dials for the target magnet to fit into. Are you sure it is correctly installed and in position?

See pictures 1 and 2


Joe
Apr 1, 2021 at 1:43 PM (Merged)
Avatar
SINGLEGURLCARPROBS
  • MEMBER
  • 1 POST
I was driving down the freeway and my car lost power, I coasted to the side of the freeway. It would not start after that. I have replaced both came shaft and crank shaft sensors, fuel pressure regulator as wells the coil pack. It is not getting any spark. Any ideas?
Apr 1, 2021 at 1:43 PM (Merged)
Avatar
CARADIODOC
  • CERTIFIED EXPERT
  • 34,308 POSTS
The first thing is to read and record the diagnostic fault codes. Do you know how to do that yourself?

Next is to determine if the automatic shutdown relay is turning on. Look for the wire that is the same color at the ignition coil pack and every injector. That is usually a dark green/orange wire. Back-probe that wire with a test light. You should see it light up for one second when you turn on the ignition switch. You may hear the hum of the fuel pump at the same time. What is important is if that light turns back on during cranking. Let me know what you find.
Apr 1, 2021 at 1:43 PM (Merged)
Avatar
ASEMASTER6371
  • CERTIFIED EXPERT
  • 52,796 POSTS
Good evening.

check the wiring at the cam and crank sensors. it is common for the harness to degrade about six to eight inches behind the connectors. peel back the sheathing and inspect the harness.

Roy
Apr 1, 2021 at 1:43 PM (Merged)
Avatar
HARRY P
  • CERTIFIED EXPERT
  • 2,292 POSTS
I would check the fuses in the power distribution block, which is under the hood. You would be surprised how often a simple thing is the root of the problem. I am attaching some images to help you. In my opinion, they are a little confusing. But that is what Chrysler provided.
Apr 1, 2021 at 1:43 PM (Merged)