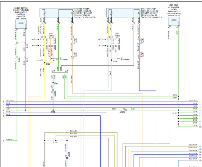
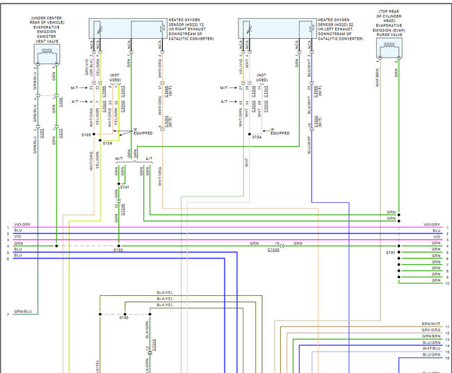
Hi, I have a wrecked 2015 GT350 Mustang and I am in the process of swapping this into a 1955 F100 truck. I am looking for the engine ECM pinouts, and any harness diagrams, so that I can get it running in the frame.
Thank you.
Thank you.
Jan 28, 2025 at 11:35 AM











