Battery or Alternator?

1985 VOLVO 240
140,000 MILES
Avatar
MATTFRAME
  • MEMBER
  • 4 POSTS
I have an 1986 Volvo 240 GL and the Alternator warning light started to appear a few days ago. I bought a replacement alternator this morning and replaced it with the old one, drove the car around for a half hour and not only did the alternator warning light not go out but the vehicle seemed to be completely drained of power. The headlights were dim to the point of being dangerously un-illuminated as were the interior dash lights. I am tempted to just go out to buy a new battery now but does this sound like a battery issue or something else to do with the charging of the battery (re: I screwed up the alternator installation)?
Thanks alot for your advice.
Nov 21, 2010 at 9:41 AM
Advertisement
Avatar
FIXITMR
  • CERTIFIED EXPERT
  • 9,990 POSTS
take alternator to nearest chain auto store and have it tested. if good you probably have a wiring problem if voltage at battery while running is not over 12 volts.
Nov 21, 2010 at 9:58 AM
Avatar
MATTFRAME
  • MEMBER
  • 4 POSTS
"if good you probably have a wiring problem if voltage at battery while running is not over 12 volts."

I apologize but I have no idea what that means.
Nov 21, 2010 at 10:02 AM
Advertisement
Avatar
MATTFRAME
  • MEMBER
  • 4 POSTS
Never mind, I figured it out. Thanks.
Nov 21, 2010 at 10:05 AM
Avatar
FIXITMR
  • CERTIFIED EXPERT
  • 9,990 POSTS
Volvo Alternator
The Volvo alternator produces electricity used to maintain battery storage charge and to help run all the electrical accessories, including the ignition and the engine control systems. It is belt-driven by the engine and produces an alternating current (AC), which is converted internally to 12 volts direct current (DC) by the diode bridge or rectifiers.

AC current cannot be stored but is much more efficiently produced, which is why cars no longer use generators but use alternators and convert the electricity to DC. Most Volvo alternators now use internal voltage regulators to maintain the proper system voltage, from 12.6-14.5 volts. You should check your Volvo's repair manual or with your local dealer to obtain the exact proper voltage for your Volvo.

Contrary to popular belief, a Volvo alternator does not constantly produce electricity. It cycles on and off as demand goes up and down. The battery buffers it from the electrical demands of the car, and it only works enough to maintain system voltage. At peak efficiency and for longest life, the Volvo alternator should be charging no more than about 50% of the time.

However, with the demands placed on the system by heat and by extraneous electrical devices (i.e., high powered stereos, running lights, etc. - see Power Demand Chart below), the alternator and battery are stressed even further. The average Volvo alternator now is lucky to last 3-4 years, which is why a prematurely dead battery may actually be caused by a dead alternator.

Typical Power Demands on a car's charging system are as follows:

Equipment
Electrical Draw
Rear Window Defogger
25 amps
High Blower
20 amps
Headlamps (low)
15 amps
Windshield Wipers
6 amps
Ignition
6 amps
Brake Lights
5 amps
Total
77 Amps
And this doesn't include amperage requirements for items like cell phones, laptops, CD players, boom boxes or additional lights.

Understanding the importance of having an operational warning light for the Volvo alternator (idiot light) is crucial to catching problems early. In most modern systems, the electrical current passing through the filament of the warning light is what energizes a circuit in the alternator to start charging.

This signal light is linked directly to the alternator through its terminal (#1, I, L, D+, etc. depending on the brand) and functions slightly differently on different manufacturers.

To check the warning light circuit, turn the ignition switch to the "on" position without cranking or starting the engine; if the idiot light does not come on, remove the plug from the Volvo alternator and ground the wire that terminates to the #1, I, L or D+ terminal (depending on manufacturer). If the light comes on, the Volvo wiring is okay but the alternator is defective; if the light still does not come on, the Volvo wiring to the light circuit and the bulb should be checked.

Don't forget to check the fuse that controls the light circuit, too. This fuse could be labeled differently in various cars. It could be labeled "charging", "regulator", "meters", "gauges" or "engine". In some cars, if the fuse is out, the idiot light will come on but may not go off. In others (like GM), a burned out fuse may make the warning light work in reverse order; that is, when the key is on, the light is off but as soon as the engine starts and the alternator starts charging, the light will come on.

Checking out these simple circuits first can greatly reduce your troubleshooting time and unnecessary replacement of your alternator.

As we delve further into charge light indicators, we find that in some cases it is normal for the charge indicator light to come on when nothing is wrong with the alternator.

According to information published by GM, any car may have a low voltage reading or lights that dim when electrical loads are heavy at idle. Furthermore, this condition is normal and no repairs should be attempted unless a fault has been found.

For clarification, as a car idles for extended periods of time during high heat conditions, a number of things happen that contribute to "lowered" alternator output that coincides with physics and the design of the alternator:

1. As heat within the alternator increases, the electrical resistance in the alternator also increases, which reduces the alternator's charging capacity.

2. As temperature rises, the voltage setpoint of the regulator is lowered to reduce the chance of overcharging or "boiling" the battery.

3. Newer designed alternators have a "delay/soft start" built into the regulator circuit. This delays the load being placed upon the engine when starting up from a stop, so that the smaller engines in use today are not loaded down upon acceleration due to charging demands. This can delay the charging by up to 15 seconds.

With the alternator's capacity for charging reduced by heat and other factors, an alternator may only be able to produce up to 70% of its rated output under these conditions. So a Volvo alternator rated for 100 amps may only be able to produce 70 amps when hot at idle when there is 77 or more amps of demand on it.

If it can be considered normal for warning lights to glow while a healthy alternator is running, how do you know if the alternator is really good or if there are other problems lurking around?

A thorough diagnosis is always the best route to determining whether or not the alternator is at fault, but there are times when diagnosis time is short and you still need a positive identification of the problem. Cases like this require a foolproof tool to speed things up. In the case of Delco CS series alternators, there is a tool available from Kent-Moore tools (J-41450-B), which isolates the alternator from the Volvo wiring harness and lets you see if the alternator is at fault or if there is a Volvo wiring problem elsewhere within the Volvo wiring harness. The best thing about this tool, besides being compact and handheld, is that it doesn't require any interpretation of data by the operator. The little light on the unit lights or doesn't light depending upon whether the alternator is good or not.

Unfortunately, while this is a great little piece of equipment and there are other similar tools available, once you determine that the alternator is not the culprit, you still have to fix the electrical problem.
Nov 21, 2010 at 7:22 PM
Avatar
FIXITMR
  • CERTIFIED EXPERT
  • 9,990 POSTS
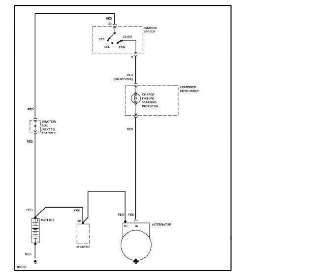
here's a 90 diagram. they should be the same.
Nov 21, 2010 at 7:58 PM