All-Righty Then
Fast and furious
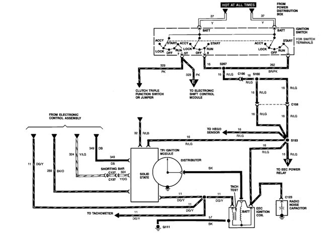
The "Nelsomatic" way of installing a Jeep CJ ignition switch/ Ford ignition switch!
I can do this without dropping the column, the only reason I dropped it on this F-100 was to get these pics
Usually someone never having done one before, installs it right, fights the "L" shaped rod forever, but just don't get it adjusted right! Usually they have the lock cylinder turning way too much clockwise, and "Start" never gets engaged!
The EZist way I have found is to "Preset" the ignition switch for the "Accessories Position"----Then turn the key to the accessories position.
Install the switch, and rod together, Being ever so careful not to move the ignition switch from the accessories position, and keeping the key rotated, all the way Counter-Clockwise
Screw it in place
Then try all of the positions
Sometimes, you may have to loosen the screws and tweak the switch, forward or rearward, just a little bit-----But rarely, do I have to.
I always use dielectric grease on my electrical connections before I reconnect it.
That work?
I'll help you later in the morn, if you still need assistance, if Raz ain't got you fixed by then.
Bedtime Raz
You're on "Fire Guard"
The Medic
Images (Click to enlarge)
Jul 1, 2011 at 6:39 AM