1990 Chevrolet Caprice cruise control not working

1990 CHEVROLET CAPRICE
160,000 MILES • 5.0L • V8 • RWD • AUTOMATIC
Avatar
PETER GALBRAITH
  • MEMBER
  • 1 POST
cruise control not working could you please find a wiring diagram and a test procedure if possible.
Thank You: Peter Galbraith
Sep 13, 2015 at 3:06 PM
Advertisement
Avatar
HMAC300
  • CERTIFIED EXPERT
  • 48,601 POSTS
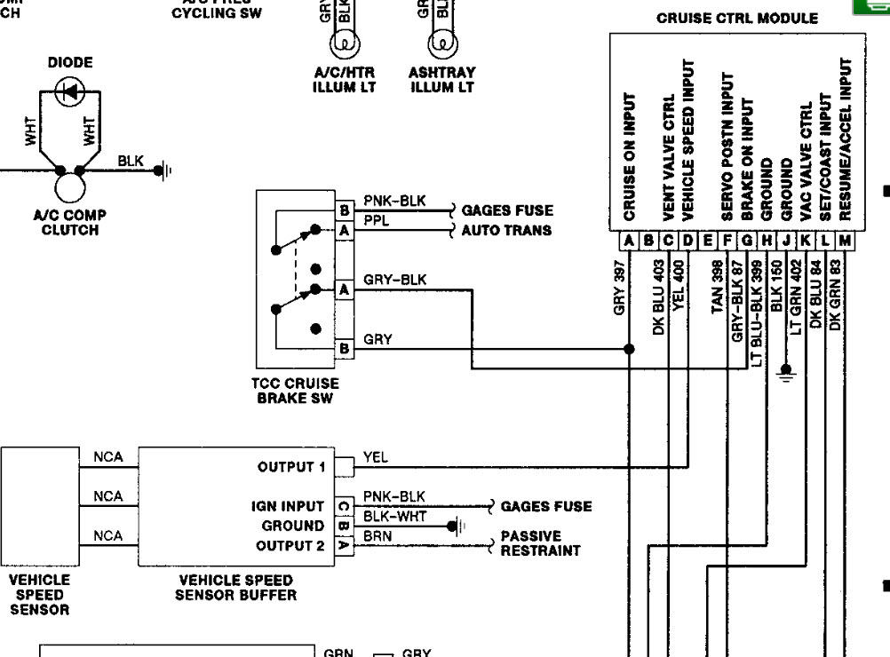
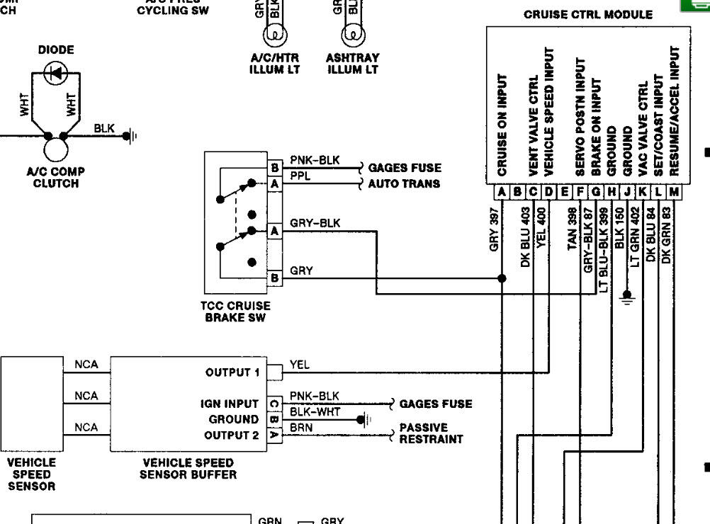
see pics for wiring but you need a scanner to test this because there are 20 tests to check to find problem. you can rent a manual here for a week to get them but to much to send on.
Sep 14, 2015 at 7:33 AM