the blinkers and wipers are on the same switch, if wipers dont work, will the blinkers?

1991 FORD EXPLORER
86,000 MILES
Avatar
ELLA.CASTLE
  • MEMBER
  • 1 POST
not sure if it is the switch or the motor for the wipers, trying to find a way to make sure befor i have to buy both
Feb 13, 2012 at 4:01 AM
Advertisement
Avatar
KASEKENNY
  • CERTIFIED EXPERT
  • 18,907 POSTS
Not necessarily. If the switch has broken then it is possible however, these systems are on the same switch but have completely separate fuses and circuits.

So, if one of the systems is not working then we need to check the voltage at the switch on these circuits to find out if the switch is the issue or not.

https://www.2carpros.com/articles/how-to-check-wiring

https://www.2carpros.com/articles/how-to-use-a-voltmeter

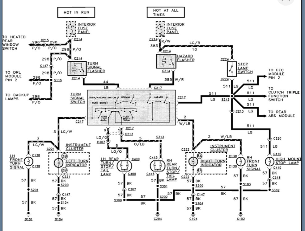
I am attaching the wiring diagrams below for both systems so let's run through this info and let me know what you find with this.

Basically, we are looking to find out if you have voltage going in and out of the switch to find out if the switch is the issue so let me know what you find, and we can go from there. Thanks
Dec 5, 2021 at 4:24 PM