After replacing the fuel pump every time I turn the ignition the EMC1 fuse blows

1991 GMC JIMMY
100,000 MILES • V6 • 4WD • AUTOMATIC
Avatar
CBAILEY92
  • MEMBER
  • 2 POSTS
I just replaced the fuel pump and now every time you turn the ignition over it blows the EMC1 fuse.
Aug 16, 2019 at 10:15 AM
Advertisement
Avatar
KASEKENNY
  • CERTIFIED EXPERT
  • 18,907 POSTS
Hi,

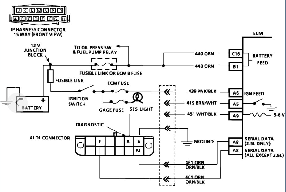
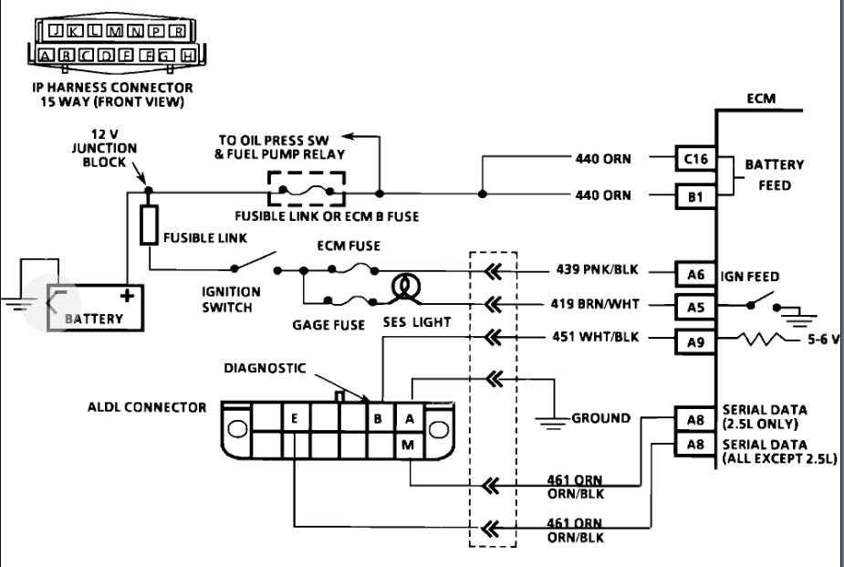
Here is diagram for the 439 circuit which is what your ECM 1 fuse is on. If this fuse is blowing then I suspect the pump is possibly back feeding voltage and blowing the fuse. Does it blow the fuse even if you go key on with OUT cranking the engine. If it does, just unplug the pump back at the tank and then turn the key on and see if the fuse still blows. If it doesn't, then you have an issue with the pump. If still blows then you have another issue.
Aug 16, 2019 at 12:11 PM
Avatar
CBAILEY92
  • MEMBER
  • 2 POSTS
I have unplugged it at the tank and it still blows and I have unplugged the relay and it still blowing.
Aug 16, 2019 at 2:49 PM
Advertisement
Avatar
KASEKENNY
  • CERTIFIED EXPERT
  • 18,907 POSTS
Ok. So you have a short somewhere else in the circuit. I don't think it is related to the fuel pump. Did this happen immediately after the fuel pump? So it worked fine, you replaced the pump and now it blows the fuse?
Aug 17, 2019 at 5:06 PM