new half shaft but it doesn't go all the way in?

1993 CHEVROLET SILVERADO
154,188 MILES
Avatar
BUILDINGALLTHETIME
  • MEMBER
  • 1 POST
I am wondering if parts house gave me the wrong part. I installed new half shaft but it doesn't go all the way against the inside wheelbearing housing. It just doesn't look the same as the driver's side which I replaced just 3 months ago.
Sep 19, 2011 at 9:24 AM
Advertisement
Avatar
SQM
  • CERTIFIED EXPERT
  • 6,383 POSTS
Hello,

It is possible that they might have given you a shaft for a different year or model.
There is no special trick to get this installed.
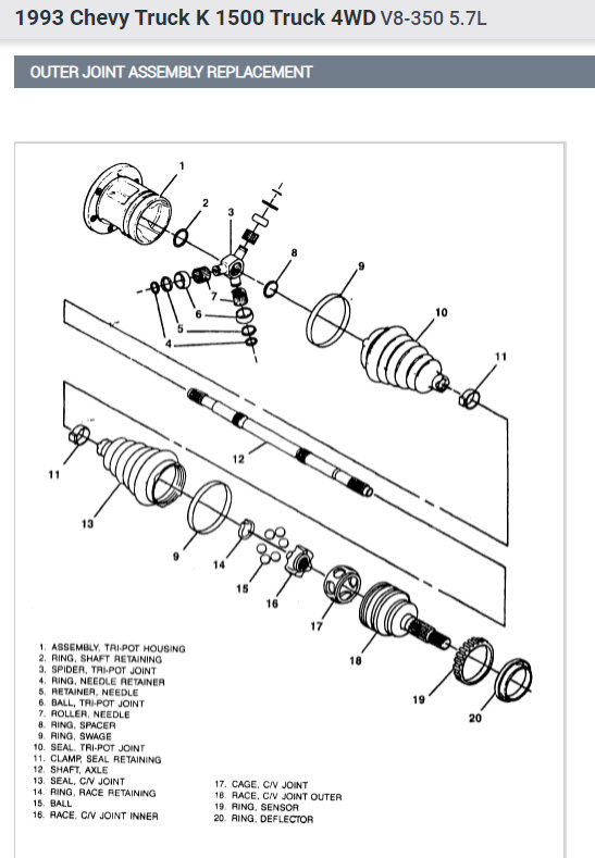
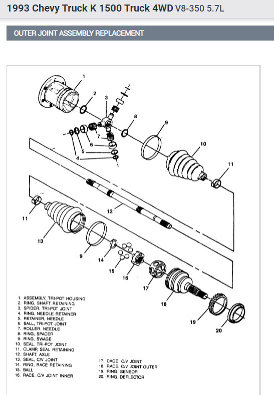
I have attached the replacement procedure, have a look at it and see if anything might have been missed.

https://www.2carpros.com/articles/replace-cv-axle

Please let me know of any questions.
Thank you.
Sep 28, 2021 at 10:29 AM