☰
Login
Join
×
Home
Answered Questions
Repair Topics
Repair & Service Guides
Popular Questions
Warning Lights
Trouble Codes
How It Works
Testing / Diagnostics
Symptoms
Videos
Login
Become a Member
Home
Nissan
300ZX
Interior
Radio
Wiring
1993 Nissan 300zx convertible radio wire colors?
1993 NISSAN 300ZX
156,000 MILES • V6 • 2WD • AUTOMATIC
SILENTHILLDALE
MEMBER
14 POSTS
FOLLOW
Radio wires from car to radio have been cut. I have a OEM wire harness I need to know what colors wires from car to factory radio harness
Mar 28, 2026 at 3:29 AM
Advertisement
STEVE W.
CERTIFIED EXPERT
15,113 POSTS
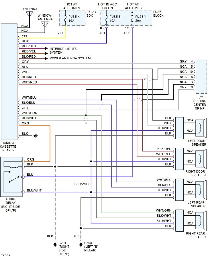
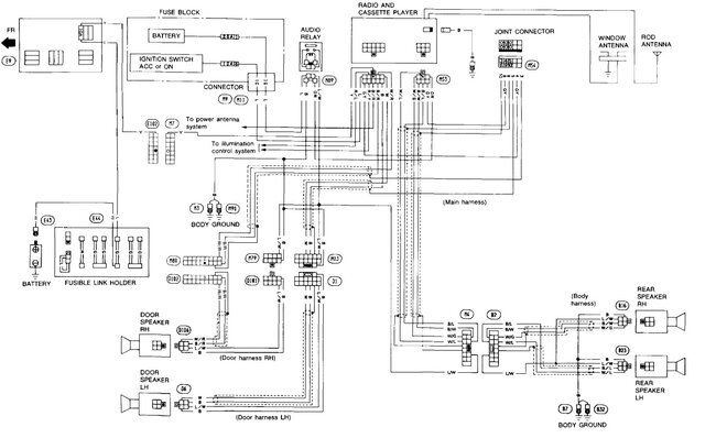
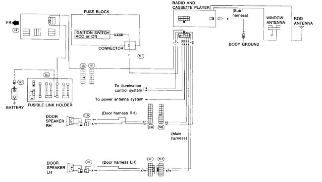
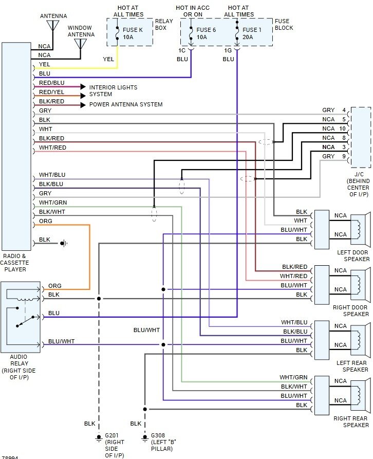
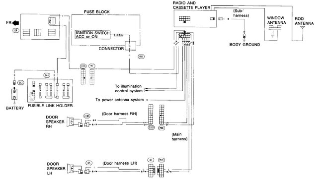
These are the wiring diagrams for the stock and Bose options in that vehicle, both the OE and color diagrams.
Images (Click to enlarge)
Mar 28, 2026 at 6:05 AM