alternator wiring problem

1994 FORD BRONCO
147,000 MILES
Avatar
JIML100
  • MEMBER
  • 4 POSTS
alternator quit charging took it out and they checked it, it was putting out 14.2 volts working fine. went home and checked voltage, big battery wire had 12 volts. other three wires have nothing with key on or off, one of them is a one wire plug which i assume is the idiot light, the other plug has 2 wires going into it. no power at them either. help ?
Jan 6, 2012 at 3:07 AM
Advertisement
Avatar
RIVERMIKERAT
  • CERTIFIED EXPERT
  • 6,110 POSTS
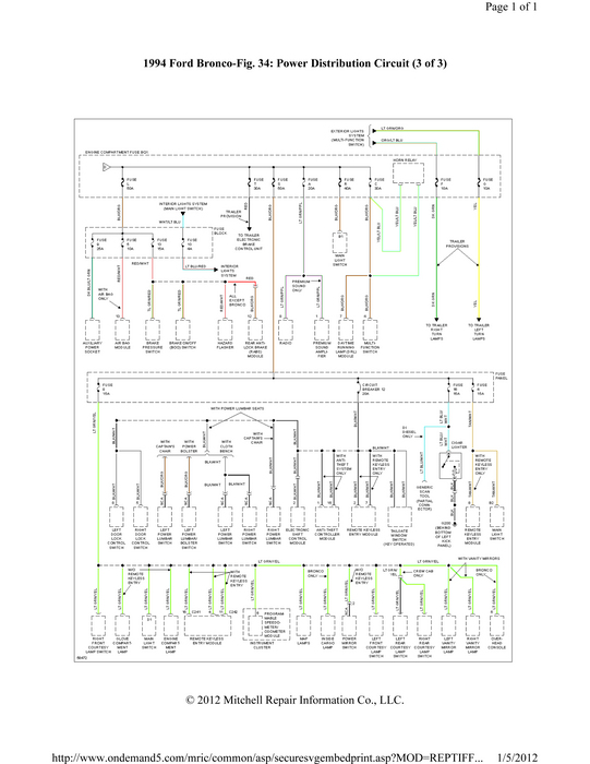
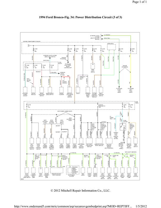
Power distribution schematics attached
Jan 6, 2012 at 3:35 AM
Avatar
JIML100
  • MEMBER
  • 4 POSTS
does me no good i cant see the schematics with the ads all across them.....
Jan 6, 2012 at 5:04 AM
Advertisement
Avatar
RIVERMIKERAT
  • CERTIFIED EXPERT
  • 6,110 POSTS
Click on them and download them. There aren't any ads.
Jan 6, 2012 at 5:08 AM
Avatar
JIML100
  • MEMBER
  • 4 POSTS
sorry i said that wrong when i click on them they do nothing no download cant save them nothing.
Jan 6, 2012 at 5:47 AM
Avatar
JIML100
  • MEMBER
  • 4 POSTS
got them to save to my computer but they are so blurrly cant read at all thanks anyway, ill have to wait for other anwser...
Jan 6, 2012 at 5:53 AM
Avatar
RIVERMIKERAT
  • CERTIFIED EXPERT
  • 6,110 POSTS
Did you right click them and choose "Save Image As"? I do that and they're beautiful.
Jan 6, 2012 at 6:33 AM
Avatar
KHLOW2008
  • CERTIFIED EXPERT
  • 41,814 POSTS
These are enlarged diagrams of the charging circuit. I do not know which engine you have so I have included both.
Jan 6, 2012 at 10:13 AM