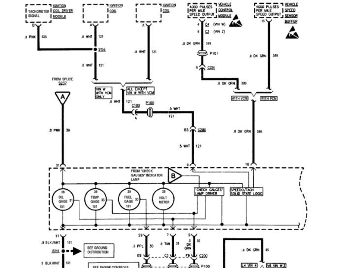
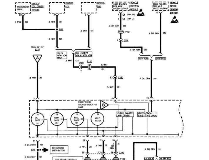
I have 95 chevy s10. 2.2 4cyl manual. I need to install a tach instrument cluster and my truck did not come with one stock. I know i need to install a wire to my ignition coil but i have 2 coils. One is for the # 1 and 2 cyl and the other is for 3 and 4 cylinder. Which one should i attach new wire to?
May 6, 2012 at 6:14 PM





