I need vacuum line schematics?

1995 CHEVROLET S-10
Avatar
LEGGZ1959
  • MEMBER
  • 2 POSTS
vacuum lines have gotten messed up and we need diagram to fix
Feb 6, 2012 at 9:28 PM
Advertisement
Avatar
SATURNTECH9
  • CERTIFIED EXPERT
  • 30,869 POSTS
Hello,

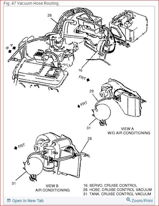
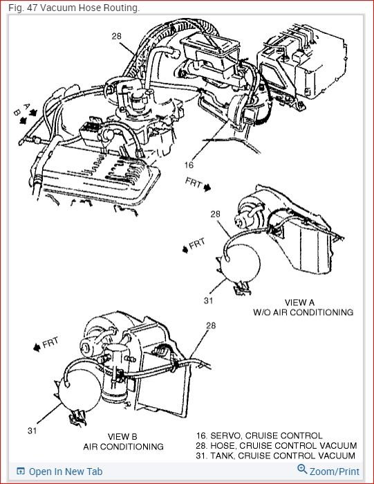
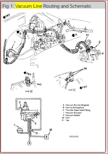
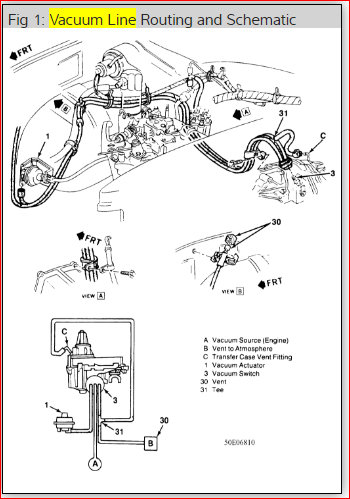
Here is the engine vacuum line diagrams for you. Check out the diagrams (Below). Please let us know if you need anything else to get the problem fixed.
Feb 6, 2012 at 11:24 PM
Avatar
LEGGZ1959
  • MEMBER
  • 2 POSTS
Thank you so much!
Feb 7, 2012 at 4:25 AM
Advertisement
Avatar
SATURNTECH9
  • CERTIFIED EXPERT
  • 30,869 POSTS
Your welcome thats what were here for glad i could help.
Feb 7, 2012 at 6:19 AM
Avatar
BRIAN WINEMILLER
  • MEMBER
  • 1 POST
I have three line that go from the transfer case up to top of engine, but I do not know where the third one goes.
Aug 21, 2020 at 10:10 AM (Merged)
Avatar
STEVE W.
  • CERTIFIED EXPERT
  • 15,113 POSTS
The lovely T-Case vacuum switch.
Two lines are vacuum, the third is connected with the T-case vent.

To determine which is what when you cannot see the switch. Connect a chunk of vacuum line to any port and blow into it. Move the line until you find the port you cannot blow through. This is the port that goes to the engine vacuum. Connect it up.
Start the engine and shift the case into four wheel drive. Now you should find one port of the two left has vacuum. That port goes to the axle actuator. The last port is the vent.

The valve works :
In two wheel drive, the incoming vacuum is blocked front axle actuator is disengaged. The actuator port and vent are connected so it cannot move on it's own and the case vent functions.

Shifting into four wheel drive the valve moves and sends vacuum to the actuator, it also blocks the vent port so there is no vacuum applied to the T-Case seals.

Shifting out of four wheel drive the valve moves down, it blocks off the vacuum feed first, then opens the actuator port to the vent line, That lets air into the actuator and it moves and unlocks the front axle.

If you can see the switch. The picture shows which lines go where based on the alignment pin on the switch.
Aug 21, 2020 at 10:10 AM (Merged)
Avatar
DREAMWEAVER62470
  • MEMBER
  • 1 POST
Engine Mechanical problem
1994 Chevy S-10 6 cyl Four Wheel Drive Manual

I was wondering if I could find a diagram of all the vacuum hoses and the parts numbers for my S10 Pickup. I am replacing all of the hoses and the adapter elbows on it myself and I can't find the diagrams in the Chevy manual I bought. Is there anyway you can help me find the information I need?
It would be greatly appreciated.
Thank you.
Aug 21, 2020 at 10:11 AM (Merged)
Avatar
JDL
  • CERTIFIED EXPERT
  • 16,098 POSTS
Hi, the autozone site has vacuum diagrams and wiring diagrams for free. You have to register your vehicle, then click on repair info. Look under the ,engine controls, link.
Aug 21, 2020 at 10:11 AM (Merged)
Avatar
CHRISJASON2000
  • MEMBER
  • 10 POSTS
I need the vacuum routes for my truck listed above (VIN Z). I redid my intake manifold gasket and I’m stuck at one hose need help can’t find the diagram anywhere.
Aug 21, 2020 at 10:11 AM (Merged)
Avatar
KASEKENNY
  • CERTIFIED EXPERT
  • 18,907 POSTS
Hi Chrisjason,

Here are the diagrams that we have. Unfortunately they are drawings so they are not the best. Let me know if this doesn't help and I can dig deeper for more detail. Maybe if you can take a picture of what you are missing I can identify them and where they should go to.

Thanks
Aug 21, 2020 at 10:11 AM (Merged)
Avatar
DAVID73997
  • MEMBER
  • 3 POSTS
thanks for giving me your opinion today.......... ok. much better description. that is a vacuum reservoir tank. the vacuum hose that goes to it should be coming from a one way check valve that has 3 hoses connected to it. the easiest way for me to describe where the vacuum hose is, look for the vacuum line that goes into the cab of truck(this controls the vacuum to the heater doors) the vacuum reservoir should at some point be connected to this vacuum line. hope this helps ___________________________________ However, my truck does not have any vacumn hoses going to the heater, it only has stiff wire to control the heater doors, you must be thinking of a lot newer model. I also paid for a years subscription for the on-line auto manual, but it also does not tell me much there either. One fellow in my home town tells me that he thinks its something to do with the vacumn that the brakes take away from the engine when I apply the brakes. This could be true as when I apply the brakes, the engine seems to flutter a lot untill I release the brakes. If this is the case, then could you please tell me where I`m suppose to put the hoses onto. Thanks again.


https://www.2carpros.com/forum/automotive_pictures/162773_S10_Vacumn_sperical_like_Ball_3.jpg

Aug 21, 2020 at 10:13 AM (Merged)
Avatar
MERLIN2021
  • CERTIFIED EXPERT
  • 17,250 POSTS


https://www.2carpros.com/forum/automotive_pictures/62217_4_cyl_Vac_1.jpg


https://www.2carpros.com/forum/automotive_pictures/62217_4_cyl_VacHeater_1.jpg

These are the vacuum diagrams for 1988 s-10 4 cyl...this ball is not for the brakes! If the brakes are acting up when you step on the pedal, test the check valve at the booster, vacuum source for brakes is from manifold...ALL doors on the heater plenum are operated by VACUUM!
Aug 21, 2020 at 10:13 AM (Merged)
Avatar
ROBERT H
  • MEMBER
  • 1 POST
Engine Performance problem
1987 Chevy S-10 6 cyl Four Wheel Drive Automatic

I have an 87 S10 that was changed from a 2.8 to a 4.3. The problem Im having is trying to find all the vaccum lines and how they run. Do you have any suggestions on where I can find the schematics on the routings?
Aug 21, 2020 at 10:13 AM (Merged)
Avatar
JDL
  • CERTIFIED EXPERT
  • 16,098 POSTS


https://www.2carpros.com/forum/automotive_pictures/170934_87_vacuum_lines_1.jpg

Go to the autozone site, register your vehicle, it is free. Click on vehicle repair info, I believe vacuum diagrams are under the emissions link. Just find what you want. The above diagram is an example.
Aug 21, 2020 at 10:13 AM (Merged)
Avatar
SCOTTDANNY22@
  • MEMBER
  • 36 POSTS
Can someone post a few actual pictures of a stock Chevrolet s10 2.8 motor showing where all the hoses connect vacuum, carburetor, brake booster advance etc.? I have the manual and the routing diagrams am needing actual pictures. Thanks
Aug 21, 2020 at 10:13 AM (Merged)
Avatar
DANNY L
  • CERTIFIED EXPERT
  • 5,648 POSTS
Hello, I am Danny.

Does this picture help? Hope this helps and thanks for using 2CarPros.
Danny-
Aug 21, 2020 at 10:13 AM (Merged)
Avatar
DON GIRDNER
  • MEMBER
  • 3 POSTS
Hello,

Do you guys have a California vacuum diagram for the following vehicles?

1. 1983 Chevy S10, 2.8L V6, automatic transmission (three letters in upper left corner read "DMM.")

2. 1982 Chevy S10, 2.8L V6, manual transmission

I actually have a 1982 Chevrolet S10, 2.8L V6, with a manual transmission but the VECI sticker on my truck is for a 1983 Chevrolet S10, 2.8L V6, automatic transmission. I do not know why. Any help would bee appreciated.

Thank you.
Aug 21, 2020 at 10:13 AM (Merged)
Avatar
STEVE W.
  • CERTIFIED EXPERT
  • 15,113 POSTS
How about all four versions with California spaghetti.
Image 1 - 1983 w/Automatic
Image 2 - 1983 w/Manual
Image 3 - 1982 w/Automatic
Image 4 - 1982 w/Manual

Think you have a bad hose or did some come off and you need to trace them?
Aug 21, 2020 at 10:13 AM (Merged)
Avatar
DON GIRDNER
  • MEMBER
  • 3 POSTS
Steve,

Yes, I just found that the purge hose is cracked/split near the EVAP canister in image 4. Also, I have been getting a OBD1 code 45 for some time now. I have done the following repairs and adjustments.

Replaced:
1. EVAP canister (to my knowledge, this has never been changed and was full of fuel).
2. O2 sensor (the old one had a crimp repair on its pigtail).
3. All the vacuum lines (except the purge line assembly coming from the EVAP canister. :P)
4. The old carburetor with a rebuilt one (17082359).
5. Coolant temperature sensor (Was not changing resistance with temperature change).
6. Fuel sending unit (the old one was not reading any more).
7. Fuel pump (old fuel pump was leaking fuel and oil due to a bad o-ring).
8. Fuel lines from fuel pump to carburetor (I broke the old fuel line trying to get it off the old carburetor. Ehh, time for an upgrade.)

Aug 21, 2020 at 10:13 AM (Merged)
Avatar
DON GIRDNER
  • MEMBER
  • 3 POSTS
Adjustment per the VECI on my truck:

TIMING (°BTDC @ RPM) 10° @ 650 (DR)
Aug 21, 2020 at 10:13 AM (Merged)
Avatar
STEVE W.
  • CERTIFIED EXPERT
  • 15,113 POSTS
Age and heat are not friendly to rubber lines. The code 45 was likely from the canister being full of fuel. When it runs the purge it only expects some vapor and then air, excess gas would just keep dumping vapor through it. A bad smog pump can also do it as the extra air from it will lean out the exhaust.

Timing for the stick version is the same 10 degrees in California.
If it has the electronic system unplug the four wire connector at the distributor to set the base timing. If vacuum advance pull the vacuum line and plug it to set it.
Aug 21, 2020 at 10:13 AM (Merged)
Avatar
SCOTTDANNY22@
  • MEMBER
  • 36 POSTS
I just put head gaskets on a my truck. My problem is I do not remember where the vacuum lines all go. For the carburetor, the distributor vacuum, advance the brake booster hose, and all of the other hoses to the EVAP canister. So on I cannot make heads or tails of the diagrams I have looked at. I have the Haynes manual same thing shows some hand drawn or computer generated diagram. I need actual pictures of these lines on a engine so I can see where they all go. It is mind boggling how many there are I cannot even see where the brake booster or the EGR or the one of the distributor go. Please help.
Aug 21, 2020 at 10:13 AM (Merged)
Avatar
JACOBANDNICKOLAS
  • CERTIFIED EXPERT
  • 110,175 POSTS
Hi and thanks for using 2CarPros.com.

Back in those years, vacuum lines were always a headache. I hope I can help, but I have no pictures other than what is in my manual. I have attached them for you to see. The best I can do is try to answer questions you have as you start working on it.

The first two pictures are for Federal Emissions and not California. Pictures 1 and 2 are the schematic and picture 3 is the routing of the vacuum hoses (which I hope help you locate components. Pictures 4 and 5 are the schematics for California Emissions. I am not sure which you needed.

This can be a nightmare. I hope this helps, though. Let me know if you have questions or need additional information.

Take care,
Joe
Aug 21, 2020 at 10:13 AM (Merged)
Avatar
SCOTTDANNY22@
  • MEMBER
  • 36 POSTS
Thank you. Do you know where the brake booster hose hooks to?
Aug 21, 2020 at 10:13 AM (Merged)
Avatar
JACOBANDNICKOLAS
  • CERTIFIED EXPERT
  • 110,175 POSTS
The brake booster should hook directly to the intake manifold. It has been a while since I have worked on one. However, I remember if it was not directly to the manifold, there was a large port at the base of the carburetor which had continuous vacuum. Here is what it says from Alldata:

A vacuum check valve, attached to the front vacuum chamber and connected to the intake manifold, traps vacuum in the power unit at the highest level of vacuum.

If you upload pictures of your intake from all angles and the carburetor, I should be able to identify it.

Let me know.

Joe
Aug 21, 2020 at 10:13 AM (Merged)
Avatar
MIKE49120
  • MEMBER
  • 3 POSTS
i need a diagram for the vacuum hoses for my 83 s10 they wasnt all there when i got the truck
Aug 21, 2020 at 10:13 AM (Merged)
Avatar
SATURNTECH9
  • CERTIFIED EXPERT
  • 30,869 POSTS
I need to know if it's auto or manual transmission and if it's california or federal emissions?
Aug 21, 2020 at 10:13 AM (Merged)
Avatar
MIKE49120
  • MEMBER
  • 3 POSTS
auto and im pretty sure its federal
Aug 21, 2020 at 10:13 AM (Merged)
Avatar
SATURNTECH9
  • CERTIFIED EXPERT
  • 30,869 POSTS
I posted the diagrams for you.
Aug 21, 2020 at 10:13 AM (Merged)
Avatar
MIKE49120
  • MEMBER
  • 3 POSTS
thank you really needed this
Aug 21, 2020 at 10:13 AM (Merged)
Avatar
SATURNTECH9
  • CERTIFIED EXPERT
  • 30,869 POSTS
Your welcome that is what were here for.
Aug 21, 2020 at 10:13 AM (Merged)