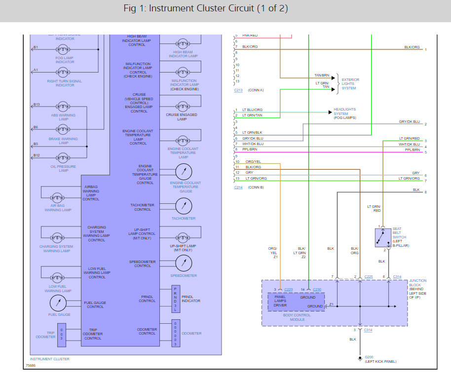
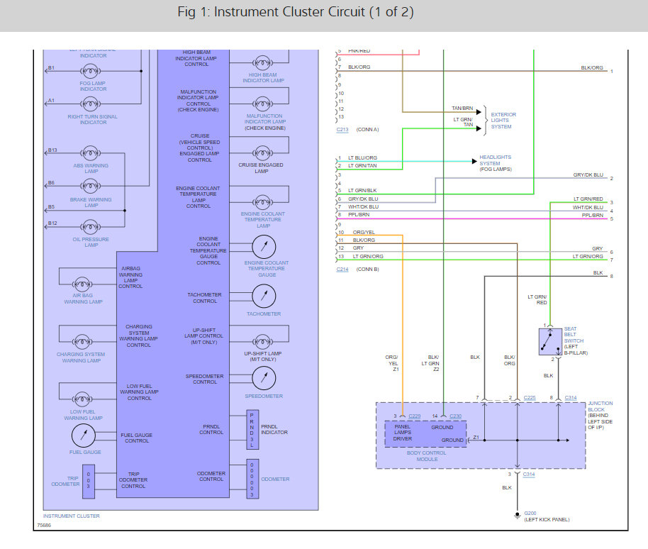
Had the entire instrument cluster fixed and tested by a reputable business. After all, working great for a couple days, the tach and digital odometer working only intermittently. Self-diagnostic for the gauges (per shop and Haynes manual) never gave results, would seemingly not enter diagnostic mode. Other gauges are working fine.
My Fiero had what they called a "tach filter", really just an inline capacitor or resistor which fixed the tach for that vehicle. Totally stumped on this one... Any ideas, anyone?
My Fiero had what they called a "tach filter", really just an inline capacitor or resistor which fixed the tach for that vehicle. Totally stumped on this one... Any ideas, anyone?
Aug 29, 2022 at 6:45 PM





