☰
Login
Join
×
Home
Answered Questions
Repair Topics
Repair & Service Guides
Popular Questions
Warning Lights
Trouble Codes
How It Works
Testing / Diagnostics
Symptoms
Videos
Login
Become a Member
Home
Ford
Bantam
Interior
Instrument Cluster
Wiring
instrument panel wiring diagram
1997 FORD BANTAM
408,000 MILES
DE BEER
MEMBER
1 POST
FOLLOW
I want to fix the wires on my bakkie and dont know where the wires must go some of it burned
Mar 10, 2012 at 8:51 AM
Advertisement
STRAILER
CERTIFIED EXPERT
53,855 POSTS
Hello,
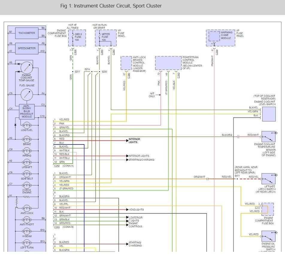
Here is the complete wiring guide so you can get the problem fixed (BELOW) with the fuse panel diagrams.
https://www.2carpros.com/articles/how-to-check-a-car-fuse
Check out the diagrams (Below). Please let us know if you need anything else to get the problem fixed.
Images (Click to enlarge)
Apr 22, 2017 at 12:31 PM