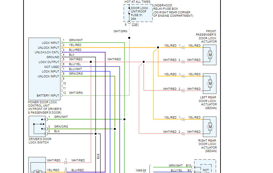
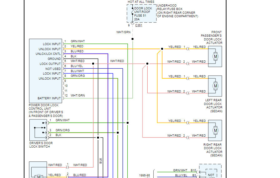
I've scoured forums and can't find any I found on my specific problem, although I have see variations. I'm sorry if this is a rehash of a different post. Just bought my 97 Honda Civic as a commuter car. Everything is immaculate. One issue though, ALL door locks work from the switch except the drivers side. In reference to the drivers side, when I hit the switch I can hear the actuator trying to move the lock up and down but to no avail. I can manually lock and unlock from the outside, or by manually pushing or pulling the door lock on top of the door panel. Can the actuator become disconnected from the lock mechanism itself? Any suggestions? In addition, if I remember correctly, in order to lock all doors from the switch panel I have to pull the door handle to engage the locking of the drivers side. Is that correct for a 97 as it is for a 98. Thank you in advance.
Jul 19, 2014 at 8:22 AM




