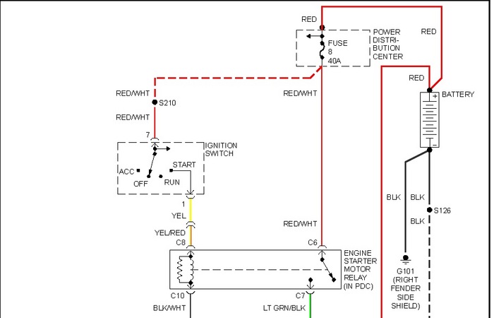
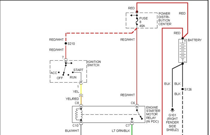
starter went out on my vehicle listed above and installed a refurbished starter. Now, when i try to start my car, there is nothing! No power at all. What is wrong?
Nov 25, 2010 at 3:18 PM
