checked fuses and relays

1997 MITSUBISHI 3000GT
165,000 MILES
Avatar
DOUGGM1965
  • MEMBER
  • 3 POSTS
1997 Mitsubishi montero... the a/c stopped working while driving yesterday, the light on the a/c on/off switch does not come on. i am pretty sure all
Aug 27, 2011 at 7:18 PM
Advertisement
Avatar
KHLOW2008
  • CERTIFIED EXPERT
  • 41,814 POSTS
Is vehicle with DOHC turbo, DOHC or SOHC engine?
Aug 28, 2011 at 4:51 AM
Avatar
DOUGGM1965
  • MEMBER
  • 3 POSTS
3.0 liter dohc
Aug 28, 2011 at 11:28 PM
Advertisement
Avatar
KHLOW2008
  • CERTIFIED EXPERT
  • 41,814 POSTS
Sorry for the oversight. I just noted that the title is 3000GT whereas the content has Montero as heading, so I am guessing that Montero is the correct vehicle you are refering to.

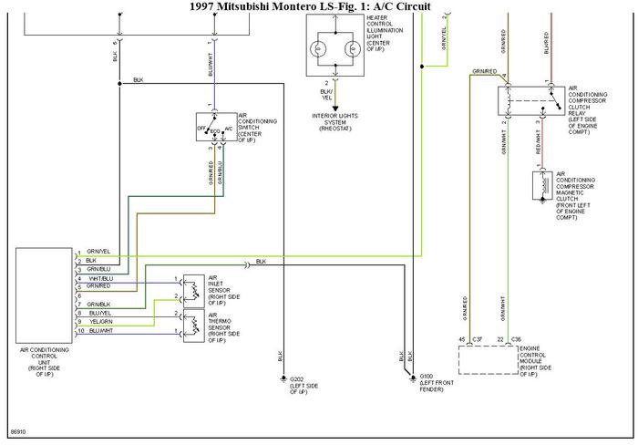
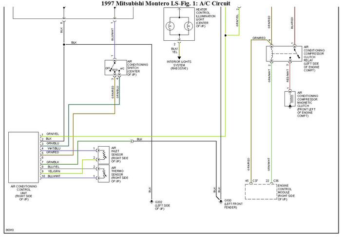
Attached is the wiring schematic and I need some details of the problem in order to understand it better.

1. Is the blower motor working when A/C is turned on?
2. Prior to this occurring, did the A/C system seem to work less efficiently?
3. Have you checked the freon pressure?
4. Does turning between ECO and A/C on the A/C switch make any difference?
Aug 29, 2011 at 1:30 PM
Avatar
DOUGGM1965
  • MEMBER
  • 3 POSTS
the fan works fine, no eco. system worked ok...the ac button light doesnt come on anymore. either... the system is full.
Aug 29, 2011 at 9:58 PM
Avatar
KHLOW2008
  • CERTIFIED EXPERT
  • 41,814 POSTS
At the A/C button, use a test lamp or DVOM to check for battery voltage at the Blue/White wire, if battery voltage is not available, check the blower switch.
Aug 30, 2011 at 5:05 AM