Check-Engine Code reads P0441 and P0450

1997 TOYOTA T-100
254,000 MILES
Avatar
TOYOTA GUY
  • MEMBER
  • 4 POSTS
Engine runs rough and smooths out as the engine warms up.
Jan 6, 2012 at 11:15 PM
Advertisement
Avatar
HMAC300
  • CERTIFIED EXPERT
  • 48,601 POSTS
441 is a evap code meaning it's not getting vacuum or the cannister is messed up 450 is evap as well but could mean the ecm is bador thhe valve is bad. If the canister isn't getting vacuum, fix it and clear the codes as that may cause both.
Jan 7, 2012 at 12:45 AM
Avatar
TOYOTA GUY
  • MEMBER
  • 4 POSTS
Would either error codes cause the engine to run rough (like a piston is not firing) than smooth out a few munites later (like all is fine with the engine)
Jan 7, 2012 at 12:49 AM
Advertisement
Avatar
HMAC300
  • CERTIFIED EXPERT
  • 48,601 POSTS
if you have a vacuum leak yes that's why i said to check to see if the system is leaking vacuum like aline off. you will have to clear the codes after fixing the problem.
Jan 7, 2012 at 12:53 AM
Avatar
TOYOTA GUY
  • MEMBER
  • 4 POSTS
Where is the charcole canaster on the T-100?
Jan 7, 2012 at 12:55 AM
Avatar
HMAC300
  • CERTIFIED EXPERT
  • 48,601 POSTS
by the gas tank
Jan 7, 2012 at 12:55 AM
Avatar
TOYOTA GUY
  • MEMBER
  • 4 POSTS
Along with the vacuum lines?
Jan 7, 2012 at 12:56 AM
Avatar
HMAC300
  • CERTIFIED EXPERT
  • 48,601 POSTS
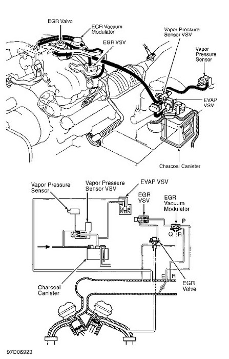
here is a pic of 3.4L engine. you didn't give engine size so others will be similar easy to look for.
Jan 7, 2012 at 1:01 AM
Avatar
EXTREAMHELIS
  • MEMBER
  • 2 POSTS
Did. You ever figure this out I have the same problem?
Aug 10, 2017 at 9:52 AM
Avatar
STRAILER
  • CERTIFIED EXPERT
  • 53,855 POSTS
Hello,

The user never got back to us on this so we will need to find out whats going on. Here is a guide that will help us start some easy testing.

https://www.2carpros.com/articles/how-to-use-an-engine-vacuum-gauge

and

https://www.2carpros.com/articles/engine-vibration-at-idle

Please let us know what you find.

Cheers, Ken
Aug 14, 2017 at 8:52 AM
Avatar
EXTREAMHELIS
  • MEMBER
  • 2 POSTS
I have codes po441 and po450 has anyone else had these two codes and got it figured out? please advise.
Aug 14, 2017 at 8:53 AM (Merged)