my check engine light came on and i dont know what to do.

1998 AUDI A4
169,000 MILES
Avatar
COLTSCHICK99
  • MEMBER
  • 1 POST
I just bought an 1998 audi a4 2.8 quattro only one week ago and my check engine light came on only 5 days into owning it. i ran a code reader and i got the code p0411. something about the secondary air injection system. plus my gas is going out like no other. i have filled it up to half a tank every 2 days and i only drive 8 miles every time. i have read some forms and some people have been having the same problem and i just want some help on what it could be and what i could do to fix it myself without spending thouands of dollars. please help. thanks
Rachel
Oct 12, 2012 at 4:09 PM
Advertisement
Avatar
HMAC300
  • CERTIFIED EXPERT
  • 48,601 POSTS
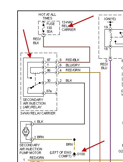
about the only thing you can do is check the things i've drawn in arrows on the picture i'm sending. you can also check for hoses that have fallen off or have holes in them.
Oct 12, 2012 at 4:50 PM
Avatar
KHLOW2008
  • CERTIFIED EXPERT
  • 41,814 POSTS
The repair instructs are rather short and straight forward which I find rather surprising and I could not even find any reference to the location of the components. So much for Audi shop manuals.

DTC P0411 - SECONDARY AIR INJECTION SYSTEM FAILURE

Inspect secondary air injection system integrity. Check left and right combination valves for proper operation. Check secondary air injection pump motor and secondary air injection solenoid valve. Repair or replace system components as necessary.

Oct 12, 2012 at 4:57 PM
Advertisement
Avatar
EXOVCDS
  • CERTIFIED EXPERT
  • 1,883 POSTS
There's lots of info! :-)

I'll post some when I get home... I don't think the gas & SAI issues
are related.

2.8's with Automatic use more gas than the standard model... if the
engine is running too rich, then there should be a fault code stored
as well. If no code, you might have an external leak or one of your
neighbors is stealing gas at night. :-)

Thomas
Oct 12, 2012 at 10:49 PM
Avatar
EXOVCDS
  • CERTIFIED EXPERT
  • 1,883 POSTS
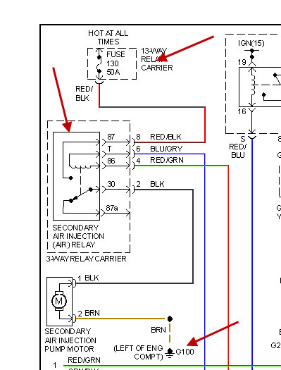
p0411 Sec.Air Inj.Sys. Incorrect Flow Detected

Your engine is a V6, so the Air Pump has to supply air to both
exhaust manifolds of the engine. If one side delivers air into
the exhaust but not the other side, the engine computer is able
to recognize this via the O2 sensor and will set a code.

Since your fault code does not specify 1 side, it is most likely
a fault that is affecting BOTH sides, caused by:

- a blown air pump fuse
- a bad air pump relay
- broken plastic air tubes
- faulty vacuum solenoid valve
- broken vacuum hose


The blue line is fresh air from the air filter housing to the Air
Pump and then to the Combi Valves.

Check the thick plastic tubes for any cracks / holes.

The green lines are small vacuum hoses that deliver vacuum to the
combi valves 5 & 9.

Yellow FEEDS vacuum to the Vacuum Solenoid.

If the vacuum solenoid does not open when triggered by the ECM, then
the combi valves will not open and no air fill be delivered into
the exhaust.

The first thing to do is to manually turn the air pump ON by removing
the Air Pump Relay and bridging the big terminal connectors such
as in this video I made for a 1.8T engine.


Your Air Pump Relay should be located in the E-Box next to the
Engine Computer: (under plastic cover in engine bay at base of
windshield)


Bridge the pins... does the pump run? If no, does one of those 2
pins have power (check with a test light). If no, then the fuse
might be blown (located in front of relay).

If one of the pins has power, but the pump does not run, then you
probably have a bad pump... the pump is located under the car
below the air filter housing

Start with bypassing the relay and then post your results.

Thomas
Oct 13, 2012 at 1:57 AM
Avatar
KHLOW2008
  • CERTIFIED EXPERT
  • 41,814 POSTS
Thomas, guess I need to look you up instead of Mitchell1 when it comes to these continental cars, lol.

Thanks anyway.
Oct 13, 2012 at 11:28 AM