alternator wiring?

1998 CADILLAC ELDORADO
100,000 MILES
Avatar
STUDENT101
  • MEMBER
  • 1 POST
it seems to be that the connector to the alternator was yanked away for some reason...left were two wires, I bought a new connector, which came with three wires...how do i connect the three wires to the two or three wire problem?
Jan 12, 2012 at 10:26 PM
Advertisement
Avatar
CARADIODOC
  • CERTIFIED EXPERT
  • 34,308 POSTS
Even service manual diagrams can be confusing. The safest way is to find a similar car in a salvage yard and note the wire colors and locations. It's common too to snip plugs from donor cars and splice them into yours. Always solder the splices and seal them with heat-shrink tubing. In wet areas like under the hood and rain, use heat-shrink tubing with hot melt glue inside. All auto parts stores have it.

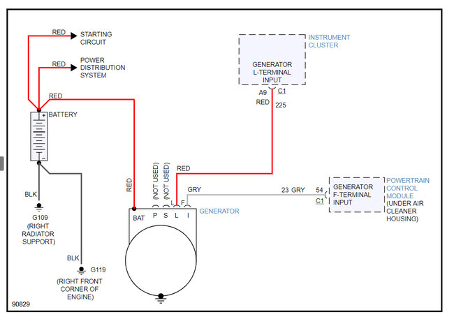
Here is the alternator wiring diagrams. Check out the diagrams (Below). Please let us know if you need anything else to get the problem fixed.
Jan 12, 2012 at 10:45 PM
Avatar
FACTORYJACK
  • CERTIFIED EXPERT
  • 4,159 POSTS
I've included a schematic, I would assume that the new connector that you bought has all white wires. If you look at the connector end view, and notice the lock tab on the top, you can visualize which terminal is which in the connector body. It may be hard to read, but may also be molded into the connector body somewhere.
Jan 13, 2012 at 3:06 AM
Advertisement
Avatar
STRAILER
  • CERTIFIED EXPERT
  • 53,855 POSTS
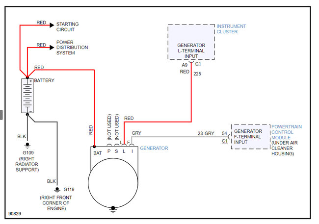
Hello, I found this wiring diagram that is a little more clear. Please let us know if you need anything else to get the problem fixed.
Apr 22, 2017 at 12:06 PM