Brake lights won't turn off

1998 CHEVROLET PRIZM
80,000 MILES
Avatar
CCLEFTY61
  • MEMBER
  • 13 POSTS
I have a 1998 chevrolet prizm 80000 miles. The brake lights won't turn off. I tried to pull the shaft of the brake light switch to see if that would turn the lights off but it didn't work. Any other ideas? Thanks. Chris
Jul 25, 2011 at 12:50 PM
Advertisement
Avatar
DOCFIXIT
  • CERTIFIED EXPERT
  • 18,828 POSTS
Most likely switch try removing wires see if lights go off. If yes replace switch
Jul 25, 2011 at 1:07 PM
Avatar
WRENCHTECH
  • CERTIFIED EXPERT
  • 20,761 POSTS
What happens more often then a bad switch is the rubber pad that the switch lands against will fall off and a new switch won't help that. They sell replacement pads at the dealer or I've been known to use a plastic push pin or glue a penny on to the bracket.
Jul 25, 2011 at 1:54 PM
Advertisement
Avatar
CCLEFTY61
  • MEMBER
  • 13 POSTS
Wrenchtech that is exactly what happened so I was able to put a screw and nut in the hole and all is right with the world. Thanks for all your help. Chris
Jul 25, 2011 at 3:20 PM
Avatar
WRENCHTECH
  • CERTIFIED EXPERT
  • 20,761 POSTS
With the thickness of the screw and nut, it may put the switch way out of adjustment so check that.
Jul 25, 2011 at 3:24 PM
Avatar
MIKE RIFE
  • MEMBER
  • 1 POST
Out of the blue my brake or tail light and front parking lights will not go off with the car on or off. I am having to remove negative battery terminal each time so the battery does not drain.
Sep 25, 2019 at 3:32 PM (Merged)
Avatar
STRAILER
  • CERTIFIED EXPERT
  • 53,855 POSTS
Hello,

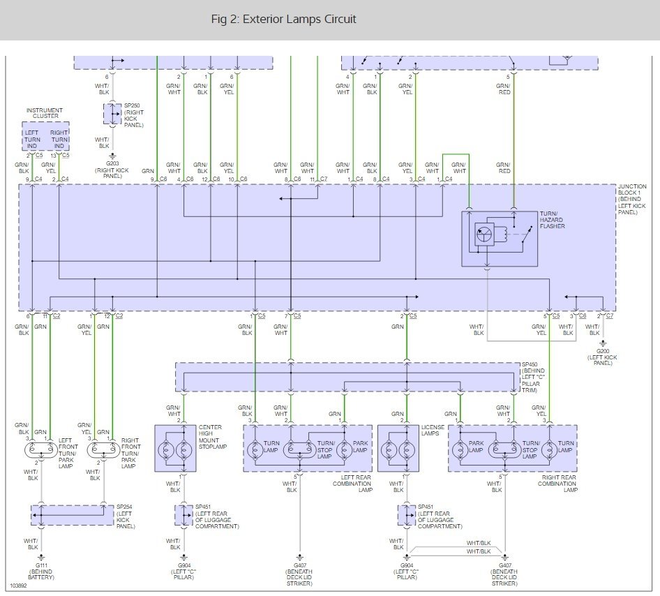
There is a tail light relay that can be stuck on, remove the relay to see if the lights go out, here is a wiring diagram and a guide so you can check it out.

https://www.2carpros.com/articles/how-to-check-an-electrical-relay-and-wiring-control-circuit

and

https://www.2carpros.com/articles/how-to-use-a-test-light-circuit-tester


Please run some tests and get back to us so we can continue helping you.

Best, Ken
Sep 25, 2019 at 3:32 PM (Merged)
Avatar
GLORYGOLD
  • MEMBER
  • 1 POST
brake lights won't turn off - made sure emergency brake was off, tried turning car on and off, had to disconnect battery. Heard it might be the brake switch - where is that located in my car?
Sep 25, 2019 at 3:32 PM (Merged)
Avatar
JACOBANDNICKOLAS
  • CERTIFIED EXPERT
  • 110,175 POSTS
It sounds like a brake switch problem. It is located at the top of the brake pedal. Check to make sure it hasn't come loose and is still in its proper position. As far as replcement, a clip holds it on and there are a couple wires with a plug at the end that you will need to remove.

Let me know if this helps or if you have other questions.

Joe
Sep 25, 2019 at 3:32 PM (Merged)
Avatar
WRENCHTECH
  • CERTIFIED EXPERT
  • 20,761 POSTS
Let me add this...... Before you go replacing the brake light switch, be sure to check and see if the rubber button that the switch rests against hasn't fallen off. That is very common. You can get a new one at the dealer but I have replaced them with plastic "push in" retainers.
Sep 25, 2019 at 3:32 PM (Merged)