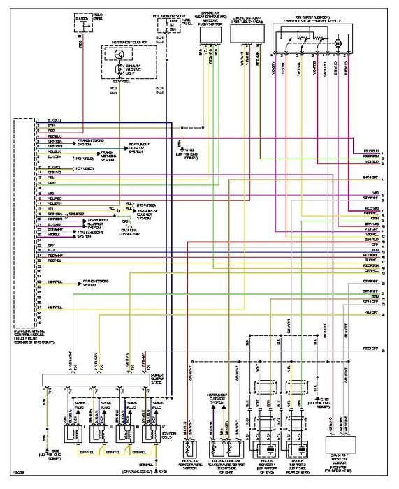
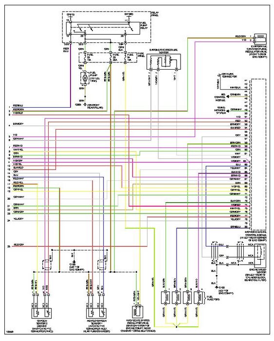
I have a 1998, V.W PASSAT 1.8 turbo auto trans. there's no fire getting to the coils,I bought brand new ones,and still no fire. The eng is turning but won't start. What else can I check?
Mar 1, 2012 at 1:16 AM

