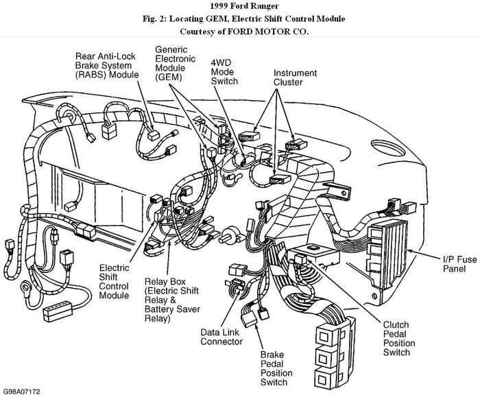
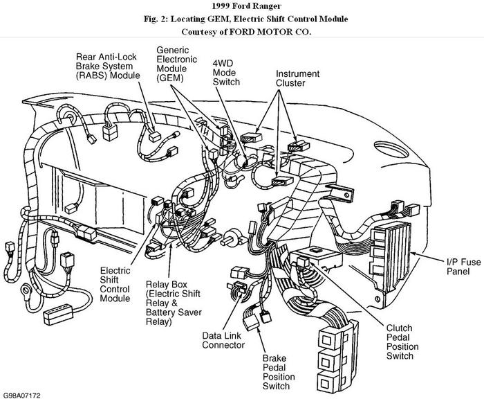
I have a 99 ranger with the electronic 4 wheel drive switch system that is not working. With the switch set to 4 wheel high, the hubs do not lock, the front drive shaft does not turn, and sometimes the indictor lights will flash. With the truck running, and the switch turned on, I have pulled the vacuum hose off each wheel one at a time. There does not appear to be any vacuum. I have the soliniond out on the bench, and when power is applied it does sound like it is switching. I don't have any wiring or vacuum diagrams of the system. Any ideas what may be wrong or where I can get a set of wiring of vacuum diagrams.
Thanks,
Thanks,
Dec 23, 2010 at 11:33 PM






















