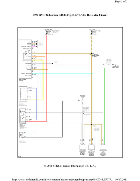
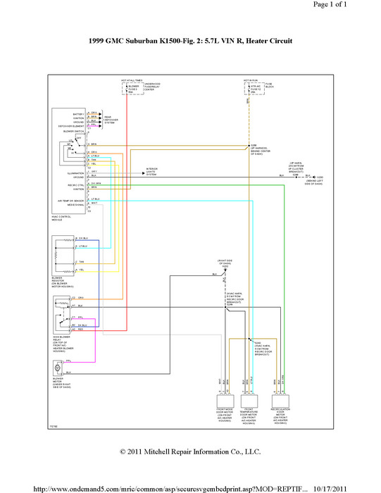
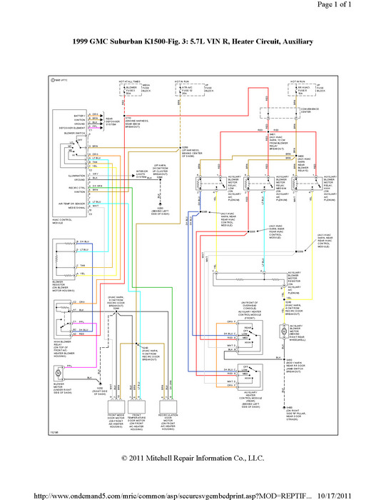
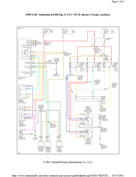
Hi, I am asking this question again because I have new details to my last question, and please ask that another tech answer for me. The solenoid has two wires going into it and two vacuum hoses at the top of it (one going to the hcv)...I have ruled out the heater control valve being bad. I have now ruled out the solenoid itself being bad because I applied 12v to the black/grey wire and the solenoid clicks and allows vacuum to the hose, thus moving the hcv lever to move. Now, I have two heater controls in this suburban, one in the front and one in the passenger area. My question is why is it not getting power. I have checked all the fuses in the cab and the engine area and all were good. What could cause this connection not to get power? Any help is greatly appreciated...Does anyone have a wiring diagram for this? Thank you...Dave...
Oct 16, 2011 at 8:12 PM



