Signal lights NOT working

1999 VOLVO S70
Avatar
CARPROBLO
  • MEMBER
  • 2 POSTS
My volvo 1999 s70, the left/right signal light will work for around 30 seconds tops, and then altogethe "STOP" working....but whats funny is that the double flashers work
Mar 14, 2011 at 12:15 AM
Advertisement
Avatar
MHPAUTOS
  • CERTIFIED EXPERT
  • 31,937 POSTS
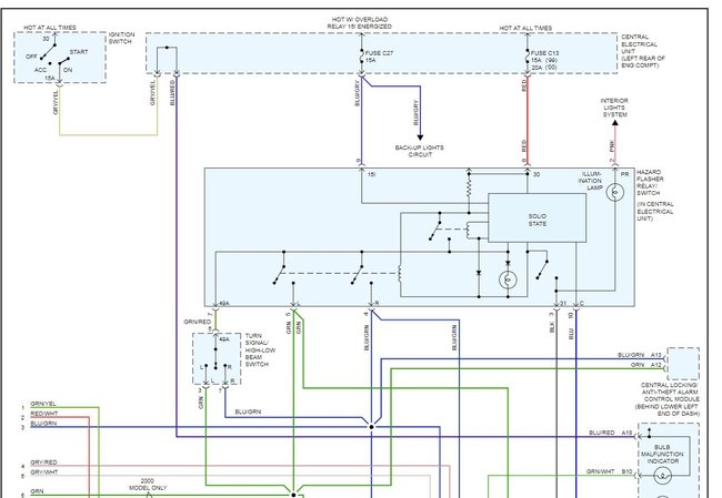
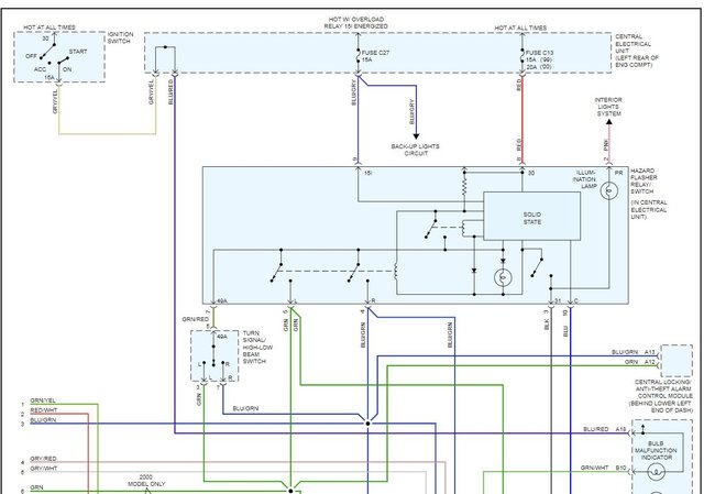
Looks like the flasher is solid state and built into the turn signal switch

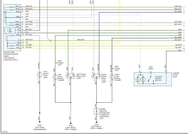
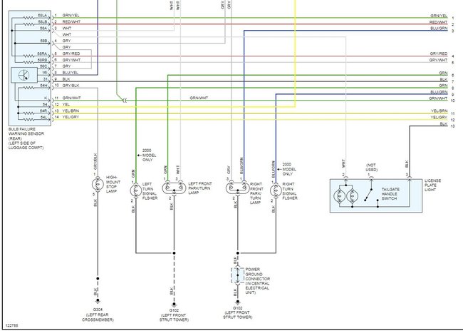
See the wiring diagrams below for more information
Mar 14, 2011 at 12:47 AM
Avatar
JIS001
  • CERTIFIED EXPERT
  • 3,412 POSTS
The flasher is built into the hazard light switch ;)
Mar 16, 2011 at 4:01 AM
Advertisement
Avatar
CARPROBLO
  • MEMBER
  • 2 POSTS
Turn signal lights do not work on my 1999 s 70 volvo, what may be the problem
Nov 5, 2018 at 5:11 PM (Merged)
Avatar
RASMATAZ
  • CERTIFIED EXPERT
  • 75,992 POSTS
Start with the turn signal fuse and the flasher-both okay check and test the turn signal switch
Nov 5, 2018 at 5:11 PM (Merged)
Avatar
JIS001
  • CERTIFIED EXPERT
  • 3,412 POSTS
Do you mean they do not flash? If they are not flashing replace the hazard light switch. The flasher is built into the hazard switch.
Nov 5, 2018 at 5:11 PM (Merged)
Avatar
COACHFERRELL
  • MEMBER
  • 1 POST
when I turn on the turn signal , the bulb lights up , but it does not blink. When I push the Hazard Signal , no lights come on or blink.
All fuses seem to be working.

I bought a new signal plug which looks like an electrical plug ( without cord/wires ), but am not sure where to put it, if that is the problem
Nov 5, 2018 at 5:11 PM (Merged)
Avatar
BLUELIGHTNIN6
  • CERTIFIED EXPERT
  • 16,542 POSTS
Suspect faulty flasher unit. The flasher is self-contained in the turn signal/windshield wiper and washer combination switch. If the flasher becomes inoperative, the switch assembly must be replaced.




Thanks for using 2CarPros.com!
Nov 5, 2018 at 5:11 PM (Merged)
Avatar
STRLNGSLVR06
  • MEMBER
  • 1 POST
1998 Volvo S70 142000 miles

Last night I left my car in the snow embankment it was stuck in with the hazard lights on. I returned to the car this morning to dig out and the battery was dead; anticipated it would be. After I jumped the car, i noticed that the left turn signal is on, not blinking just on (dash light signal, as well as front and back left turn signal). When I disconnect the fuse for the turn signal lamps, the lights go out. I hoped that this would maybe reset something if it was "stuck" but no. The fuses weren't blown but the hazards also don't work anymore at this point. Any ideas?
Nov 5, 2018 at 5:11 PM (Merged)
Avatar
BLUELIGHTNIN6
  • CERTIFIED EXPERT
  • 16,542 POSTS
flasher relay most likely failed overnight
Nov 5, 2018 at 5:11 PM (Merged)