dome lights will not come on

2000 CADILLAC ESCALADE
150,000 MILES
Avatar
MARKVANDERVEST
  • MEMBER
  • 3 POSTS
My interior dome lights will not come on in my 2000 Escalade when doors are opened. I am aware of the dome light override switch, which doesn't help with the issue when pushed either way. There doesn't appear to be any wires damaged near the parking brake pedal. The interior lights do come on when turned on manually... so it is not a fuse issue. Any other recommendations?
Jan 12, 2013 at 1:06 AM
Advertisement
Avatar
STRAILER
  • CERTIFIED EXPERT
  • 53,855 POSTS
Hey MARKVANDERVEST,

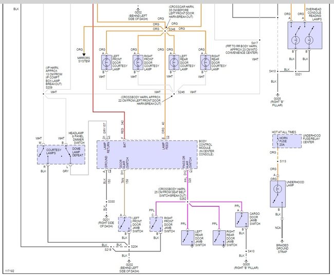
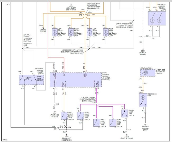
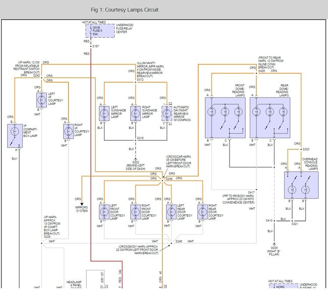
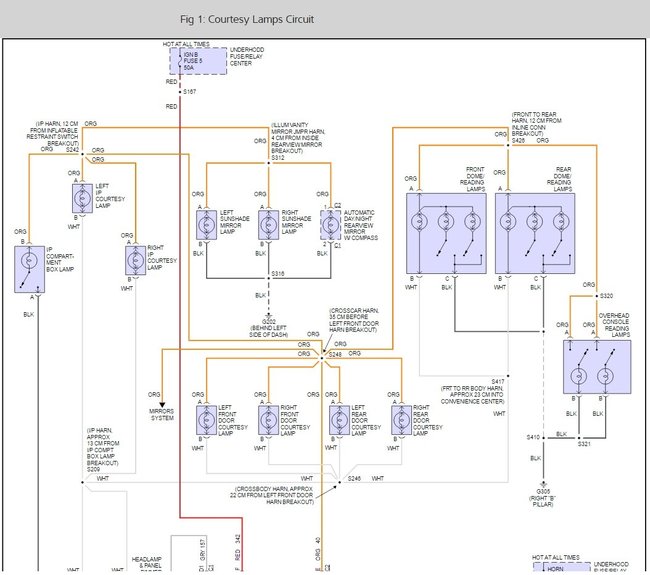
It looks like there is a main fuse that controls the lights and the rest is done by the BCM. Check the fuse first then try disconnecting the battery and letting it sit for 30 minutes and then reconnecting the battery. This should reboot the system and get the lights to work.

Here is a wiring diagram and a guide to start testing.

https://www.2carpros.com/articles/how-to-use-a-test-light-circuit-tester

Please let us know what you find so it will help others.

Best, Ken
Jan 10, 2017 at 4:35 PM