☰
Login
Join
×
Home
Answered Questions
Repair Topics
Repair & Service Guides
Popular Questions
Warning Lights
Trouble Codes
How It Works
Testing / Diagnostics
Symptoms
Videos
Login
Become a Member
Home
Chevrolet
Cavalier
Engine
Starter
Wiring
starter wiring diagrams please?
2000 CHEVROLET CAVALIER
4 CYL • FWD • AUTOMATIC
GRANNY4756
MEMBER
2 POSTS
FOLLOW
my 2000 chevy cavalier wont start from the key. it will only start if i jump the starter. what can be my problem?
Jun 18, 2011 at 2:50 PM
Advertisement
RASMATAZ
CERTIFIED EXPERT
75,992 POSTS
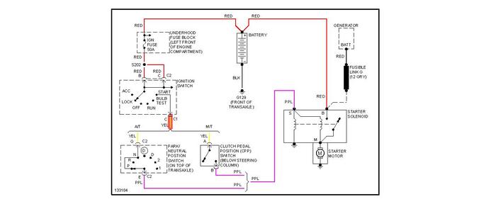
it will only start if i jump the starter.
Check ignition fuse 50amp in underhood fuse block-also jumper the yellow wire and purple wire on the P/N switch and see what happens
Image (Click to enlarge)
Jun 18, 2011 at 3:31 PM
GRANNY4756
MEMBER
2 POSTS
It was the ignition switch thank you.
Jun 18, 2011 at 3:43 PM
Advertisement
STEVE W.
CERTIFIED EXPERT
15,113 POSTS
Thank you for the update.
Jun 16, 2021 at 2:49 PM