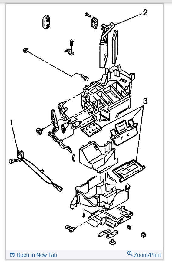
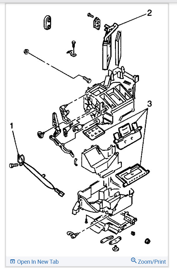
We are trying to replace the heater core on this vehicle. We have done this on other vehicles before, so this is nothing new. But, we have never done it on a Tracker. We thought we had all the bolts off for removal, but it is not coming off. Where are all the bolts located to remove it? It is either a clip or bolt we have missed, but we just cannot find it. Is there any diagrams out there? The service manuals stink and they never show or state everything.
Sep 20, 2013 at 11:37 AM




