☰
Login
Join
×
Home
Answered Questions
Repair Topics
Repair & Service Guides
Popular Questions
Warning Lights
Trouble Codes
How It Works
Testing / Diagnostics
Symptoms
Videos
Login
Become a Member
Home
Infiniti
Q45
Engine
Starter
Replace/Remove
Starter replacement
2000 INFINITI Q45
140,000 MILES
ANONYMOUS
MEMBER
1 POST
FOLLOW
how to remove and replace the starter on my car? Can you please help me. I love this site.
Dec 31, 2012 at 12:40 AM
Advertisement
STRAILER
CERTIFIED EXPERT
53,855 POSTS
You will need to disconnect the battery and raise the car up safely. Here are a couple of guides to help you get the job done.
https://www.2carpros.com/articles/how-to-replace-a-car-battery
and
https://www.2carpros.com/articles/jack-up-and-lift-your-car-safely
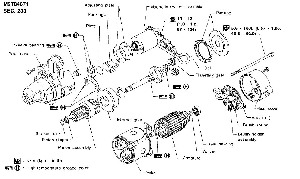
Next the starter is a little tight to get out but hang in there and you can do it. Here is another guide to show you what you are in for when doing the job. Also some diagrams (below). The starter must come out from the bottom.
https://www.2carpros.com/articles/how-to-replace-a-starter-motor
Here is the Denso starter on Amazon for 176.00
https://www.amazon.com/gp/product/B000PWWM2M/ref=as_li_qf_sp_asin_il_tl?ie=UTF8&tag=2carprcom-20&camp=1789&creative=9325&linkCode=as2&creativeASIN=B000PWWM2M&linkId=d8f3bf98a824f09eeec4d28850ad7fa2
Please let us know if you need anything else to get the problem fixed.
Cheers, Ken
Images (Click to enlarge)
Sep 19, 2017 at 1:21 PM