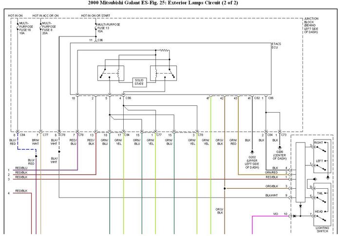
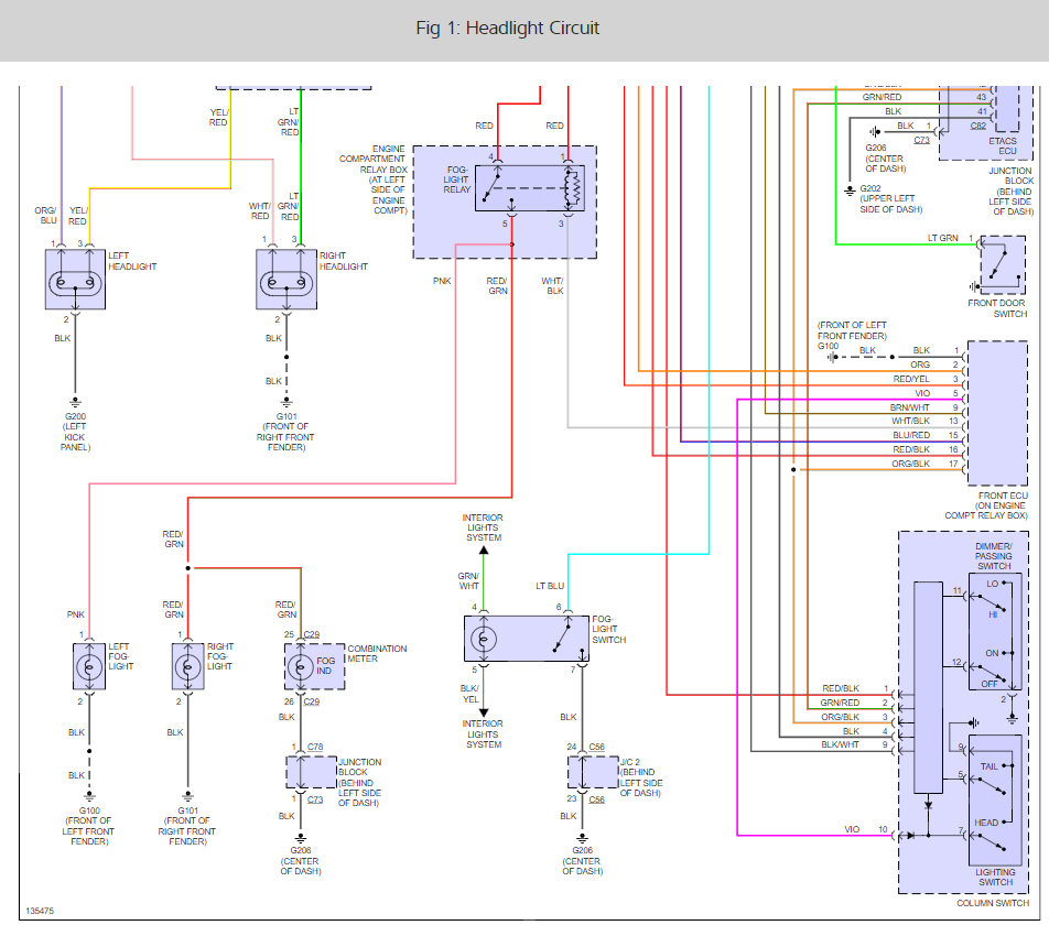
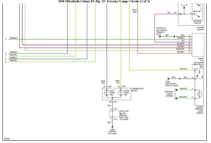
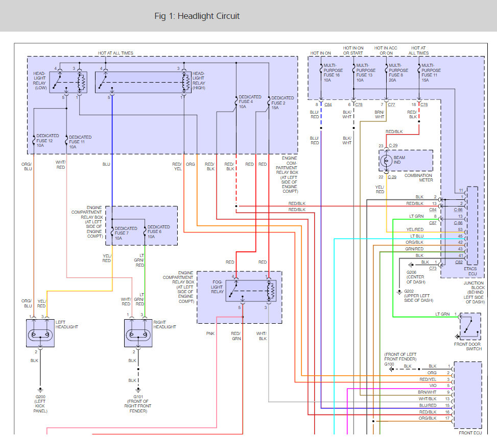
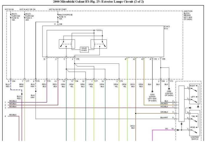
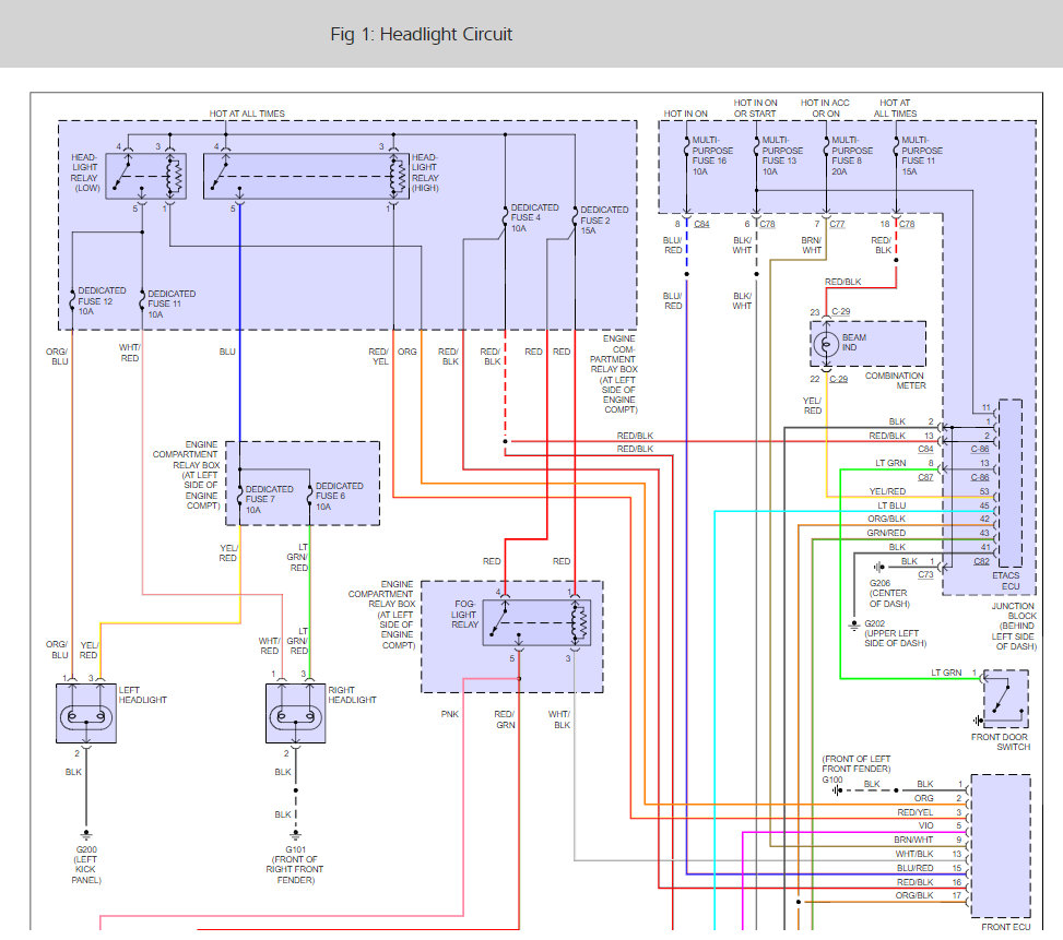
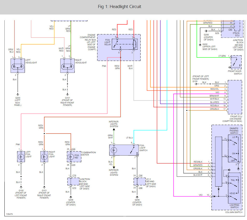
The low beam headlights work, but the high beams do not.
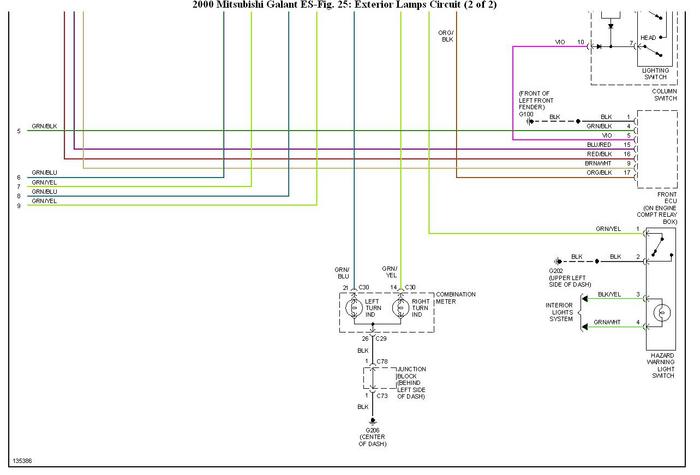
The emergency flashers work, but the turn signals do not.
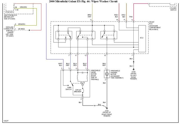
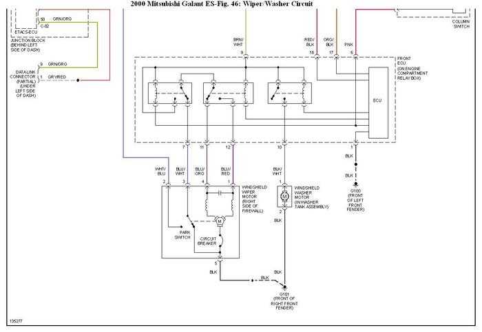
The windshield wipers work on low speed only, but not on high speed or intermittent speed.
The windshield washer does not work.
The fog lights do not work.
All of these were working fine just before this problem happened, whatever it is. All of these stopped working simultaneously. I have checked all of the fuses, replaced the turn signal lever, and replaced the ETACS behind the main fuse box in the dashboard but none of that made any difference. I cant figure out what all of these systems have in common. Is there a common ground wire, or do they all run though some connector in the wiring harness or what else could it be?
Aug 28, 2019 at 9:37 AM
(Merged)