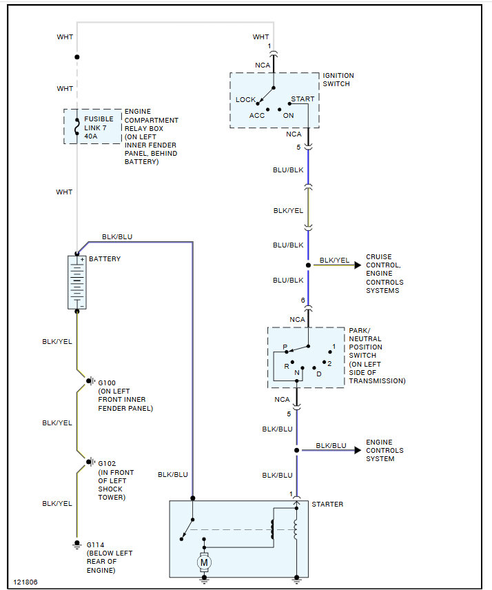
A transmission rebuild shop left the transmission harness loose to wear against the driveshaft. SUV failed to start after NSS wire wore down and the 40-amp Ignition fuse blew out. The starter was working fine before this but now won't fire. Tried jump-starts from working engine and a fully charged jump box. Neither worked.
I do hear the solenoid clicking when the key is turned. Is it possible the starter was damaged by the electrical shorting (either through the NSS or other damaged wire)? Are starter rebuilds a good option in this situation or is it better to replace it with a completely new part?
I do hear the solenoid clicking when the key is turned. Is it possible the starter was damaged by the electrical shorting (either through the NSS or other damaged wire)? Are starter rebuilds a good option in this situation or is it better to replace it with a completely new part?
Dec 11, 2024 at 9:51 AM





