dash gauges not working

2000 PONTIAC SUNFIRE
53 MILES • 4 CYL • FWD • AUTOMATIC
Avatar
GRANDSLAMX
  • MEMBER
  • 1 POST
i have a 2000 sunfire ,my problem is all the dash gauges on the dash stop working,how do i figure out what the problem is?
Aug 22, 2011 at 10:19 PM
Advertisement
Avatar
MHPAUTOS
  • CERTIFIED EXPERT
  • 31,937 POSTS
It sounds like it could be the fuse or the cluster has gone out but to be sure lets run a test on the fuse and cluster.

https://www.2carpros.com/articles/how-to-check-a-car-fuse

and

https://www.2carpros.com/articles/how-to-use-a-test-light-circuit-tester

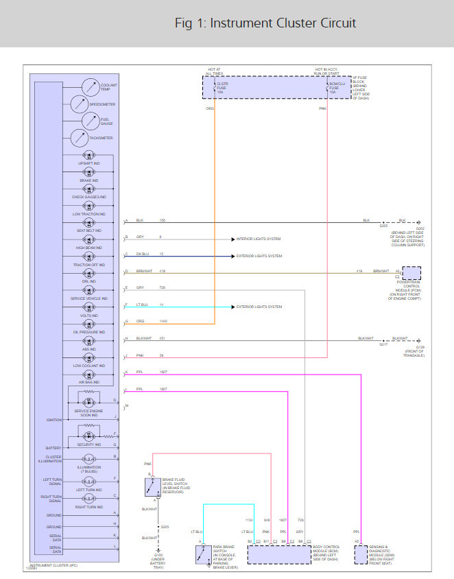
Here is the cluster wiring diagram so you check for power and ground to confirm the cluster failure if the fuse is okay.

Check out the diagrams (Below)

Please let us know what you find.

Cheers
Aug 22, 2011 at 10:27 PM
Avatar
CANAM77
  • MEMBER
  • 2 POSTS
I had this problem it ended up being the cluster I got a used one and plugged it in all good now.

Apr 29, 2018 at 2:20 PM
Advertisement
Avatar
GRANDPASREPAIR
  • MEMBER
  • 1 POST
I came across the same issue with my son's car. the cluster would go in and out going down the road along with the radio and the wipers would not work as well.
i removed the drivers seat and located a single ground wire connected just below the rocker panel. removed it and put in into fresh clean steel and cleared up all the dash issues.
very strange to as a 40 year ASE master tech that they would have a single ground in such a crazy place. but it fixed this gem.
Jul 12, 2021 at 6:44 AM
Avatar
STRAILER
  • CERTIFIED EXPERT
  • 53,855 POSTS
Excellent addition to this thread! Please feel free to use 2CarPros anytime!
Jul 12, 2021 at 9:59 AM