Removal & Installation (MDX)
Lower door glass. Remove mirror mount cover. Disconnect tweeter connector.
Remove door panel. Pull front door upper seal loose as necessary. Disconnect harness clip and connector(s). Remove mirror mounting bolts. Depress mirror retainer clip tangs and push clip through door to remove mirror.
To install, reverse removal procedure.
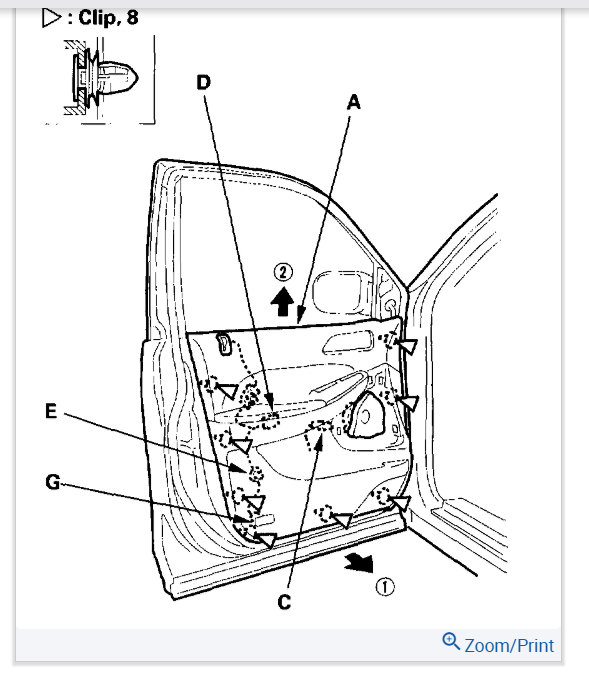
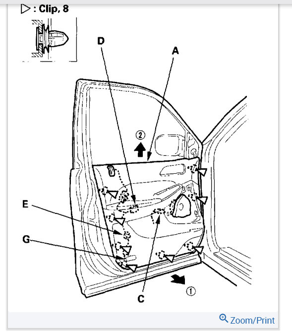
Here is a guide to help see how to remove the panel and diagrams below for your car.
https://www.2carpros.com/articles/door-panel-removal
Check out the diagrams (Below). Please let us know if you need anything else to get the problem fixed.
Cheers
Images (Click to enlarge)
Jan 27, 2011 at 4:07 PM