[quote:0f1cb3b5c7="Jortess"]Engine Mechanical problem
2001 Chevy Blazer 6 cyl Four Wheel Drive Automatic 136000 miles
----------------------------------------------------------------
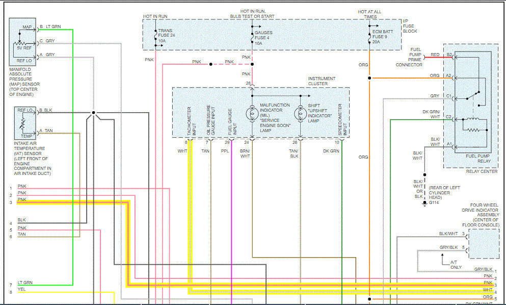
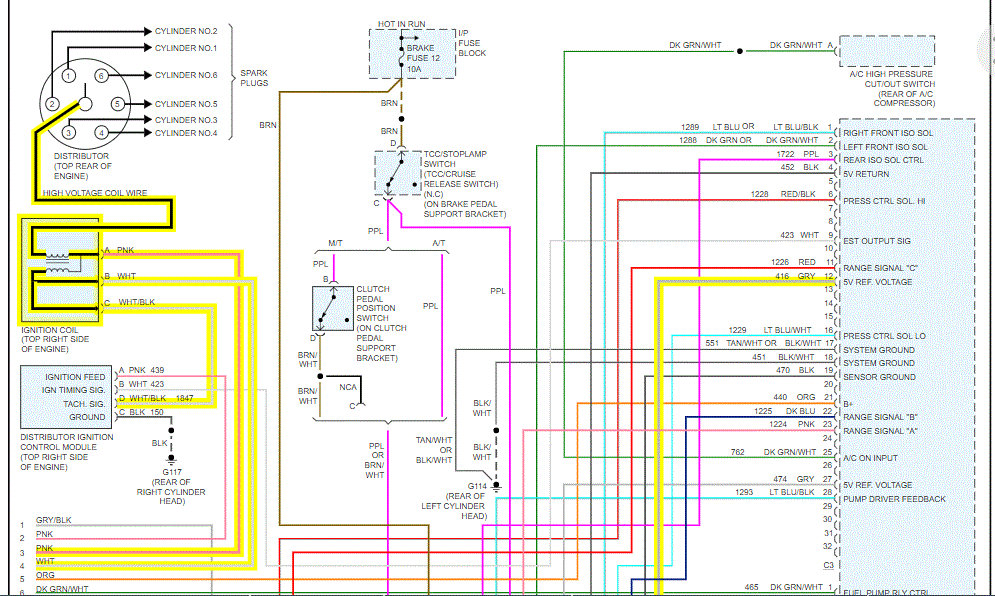
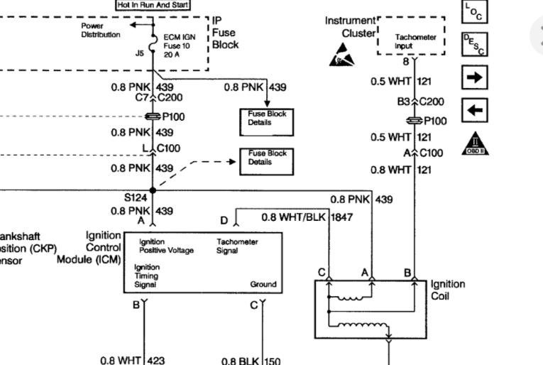
I have a 2001 blazer that will not spark. I just replaced the coil and ignition module the ignition harness, the ignition switch, spark plugs and wires, air filter, fuel filter etc etc..... I have also replaced the battery. It will turn over, but not start. This vechile also comes with a anti theft system, which is blinking when I try to turn it over. Any ideas on this?[/quote:0f1cb3b5c7]
If it has to do with the anti theft... find the fuse for it a take it out. Should be under the driver dash. See if it starts.
Is your check or service engine light in?
Please post responses here.....
Oct 14, 2020 at 2:36 PM
(Merged)