P1415 code, which side of engine compartment is "left bank"?
Nov 16, 2010 at 2:36 PM
Advertisement
JACOBANDNICKOLAS
CERTIFIED EXPERT
110,175 POSTS
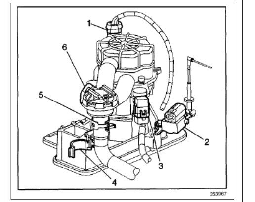
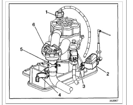
Driver's side. This code happens when the gulp valve goes bad. Here is the location so you can change it out. Replace the one that goes to the drivers side.
Check out the diagrams (below). Please let us know if you need anything else to get the problem fixed.
Cheers
Images (Click to enlarge)
Nov 16, 2010 at 2:38 PM
KENDRARUSSELL
MEMBER
1 POST
Thank you! This worked perfect for my car. :) I love this site.