key fob not working

2001 DODGE DAKOTA
V8 • 2WD • MANUAL
Avatar
YANNICRISANTOS
  • MEMBER
  • 132 POSTS
i cant get my key entry remote to lock or unlock on my dodge dakota i test the control but its working good i need help.

I changed the battery it is new. I dont know do you know where is that system someone told me is in the side of the door I dont know what is the problem with control I think it is the sensor.

I also forgot to tell you that the last time it worked when I fixed the Power Window Regulator the one on the side on driver seat when I push the lock button it locked but the horn when lock sounded week? What could that be?

I mean the last time the remote that locks the door worked was when I had replace window regulator when I was finished I lock the door for the last time and when it locked the sound of the horn sounded week. After that it has not been working I checked the remote at auto zone where it test the remote and it said it was working good. Sorry for the bad grammar. Do you know what can that be?
Jun 25, 2011 at 5:17 PM
Advertisement
Avatar
CARADIODOC
  • CERTIFIED EXPERT
  • 34,308 POSTS
There's a remote keyless entry module on top of the dash but they don't fail very often. It's more likely the key fobs need to be reprogrammed to the receiver or you have a fuse out. Be sure to check all of the fuses under the hood and inside the truck.

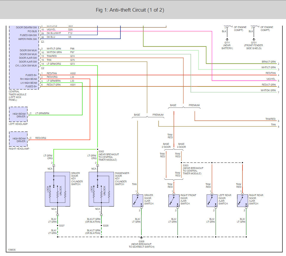
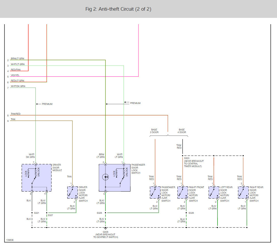
Here is a guide and a wiring diagrams so you can do some simple tests for power and ground.

https://www.2carpros.com/articles/how-to-use-a-test-light-circuit-tester

and

https://www.2carpros.com/articles/how-to-check-a-car-fuse

Please let us know what happens.

Cheers
Jun 25, 2011 at 10:07 PM
Avatar
YANNICRISANTOS
  • MEMBER
  • 132 POSTS
okay ill check it and see. thanks for your help i really needed it. :)
Jun 26, 2011 at 12:14 AM
Advertisement
Avatar
CARADIODOC
  • CERTIFIED EXPERT
  • 34,308 POSTS
Besides putting out a signal, the receiver in the truck has to be programmed to accept that signal and not all of the others. It might be necessary to have the dealer reprogram the key fobs with their DRB3 scanner. They can program up to four of them to your truck.

(ANSWER BELOW) - Admin
Jun 29, 2011 at 6:03 AM
Avatar
YANNICRISANTOS
  • MEMBER
  • 132 POSTS
it cant be program this way? i got this from the internet>

1. enter your truck and close all doors

2. put on your seat belt so the seat belt buzzer does't confuse you with the chiming you want to hear

3. place the key in the ignition

4. turn the key to the on position but do not start

5. press and hold the unlock button on the key fob

6. hold the unlock button for 4 sec. now also hold the panic button

7. release both buttons and a single chime will be heard this indication that you have successfully entered program mode. all fobs that are to be programmed must be done so within 30 sec. of when the chime was heard.

8. using the fob to be programmed press and release both the lock and unlock buttons, simultaneously.

9. a single chime will be heard

10. within four seconds of hearing the chime press and release either the lock or unlock button on the fob.

11. repeat steps 8 - 10 to program up to two additional fobs.

12. your truck will remain in program mode up to 30 sec from when the original chime was heard. after 30 sec. all programmed fobs function normally
Jun 29, 2011 at 4:04 PM
Avatar
STRAILER
  • CERTIFIED EXPERT
  • 53,855 POSTS
Yep that is how it is done, good find on that, also the horn sounds weak because it needs replacing, they go out often.
Sep 1, 2016 at 3:56 PM
Avatar
YANNICRISANTOS
  • MEMBER
  • 132 POSTS
I was wondering where could I find the system that works with the key bob because is not working and is there any fuse on it.
May 29, 2017 at 9:35 PM (Merged)
Avatar
ASEMASTER6371
  • CERTIFIED EXPERT
  • 52,796 POSTS
Program Method A (Customer Program Method)
1. Press (LOCK) button 5 times at 2 second intervals to resynchronize transmitter. Attempt to function transmitter, if working as designed discontinue programming.

2. Turn ignition to run position. (Allow ignition chimes to stop).

3. Using any original (working) transmitter, press the [UNLOCK] button for 4 to 10 seconds.

4. Within the specified 4 to 10 seconds, continue pressing the [UNLOCK] button and press the [PANIC] button for 1 second and release both buttons (AN/DN release either button first). A chime will sound to indicate that the transmitter programming mode has been entered (allow 3 seconds for chime to sound).

5. Press [LOCK] and [UNLOCK] buttons simultaneously for 1 second and release (a short chime will sound for AN/DN).

6. Press and release any button on the same transmitter and a chime will sound after successfully programming the transmitter (locks will cycle for AN/DN).

NOTE :(FOR DR ONLY) A CHIME WILL NOT SOUND ON STEP # 6 FOR THE FIRST TRANSMITTER PROGRAMMED, BUT WILL SOUND UPON PROGRAMMING THE SECOND TRANSMITTER.

7. Repeat steps 5 through 6 to program additional transmitters.
May 29, 2017 at 9:35 PM (Merged)
Avatar
YANNICRISANTOS
  • MEMBER
  • 132 POSTS
One day my wind sheld stop working and I had to replace the Window Regulator, well after I relace it I put all screws back I close the door and tried to close the door with my key fob it stop working. after that the tail light when I open the door they also don't turn on is has energy I checked all the fuses if anyone can help thank you.
May 29, 2017 at 9:35 PM (Merged)
Avatar
ASEMASTER6371
  • CERTIFIED EXPERT
  • 52,796 POSTS
remove the door panel again and make sure you connected all the wires. if they are, you may have to have the fob re programmed.

Roy
May 29, 2017 at 9:35 PM (Merged)
Avatar
YANNICRISANTOS
  • MEMBER
  • 132 POSTS
I have to have a working key fob to do this?
May 29, 2017 at 9:35 PM (Merged)
Avatar
ASEMASTER6371
  • CERTIFIED EXPERT
  • 52,796 POSTS
from your original post, i assume you had a working unit. if it is not, replace the battery and try programming it.

Roy
May 29, 2017 at 9:35 PM (Merged)
Avatar
YANNICRISANTOS
  • MEMBER
  • 132 POSTS
It's all replace and, do you know where there is like a fuse or alrm sytem?
May 29, 2017 at 9:35 PM (Merged)
Avatar
JIM SIKORA
  • MEMBER
  • 1 POST
I have a slightly different problem. The remote will cause the horn to make the lock sound, but the doors are not locking. Not one door but both. Seems like it might be a relay? Any other thoughts?
Aug 15, 2018 at 4:36 PM
Avatar
STRAILER
  • CERTIFIED EXPERT
  • 53,855 POSTS
It sounds like the central timer module is going out. But to be sure lets check fuses #1, 10, 11, 5, 26, 14 and 2.

Here is a guide to help:

https://www.2carpros.com/articles/how-to-check-a-car-fuse

The fuse location is above in the second post. Please let us know what happens.

Cheers, Ken
Aug 18, 2018 at 6:29 PM