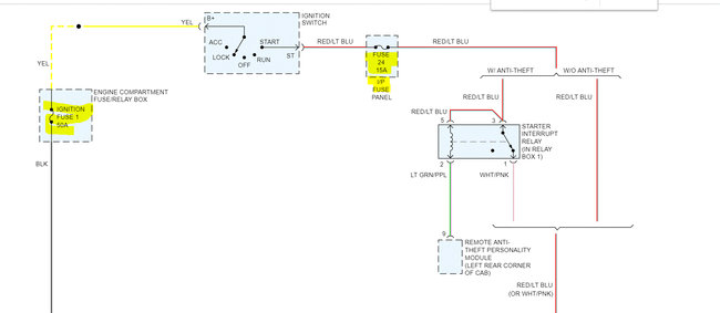
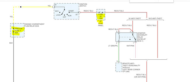
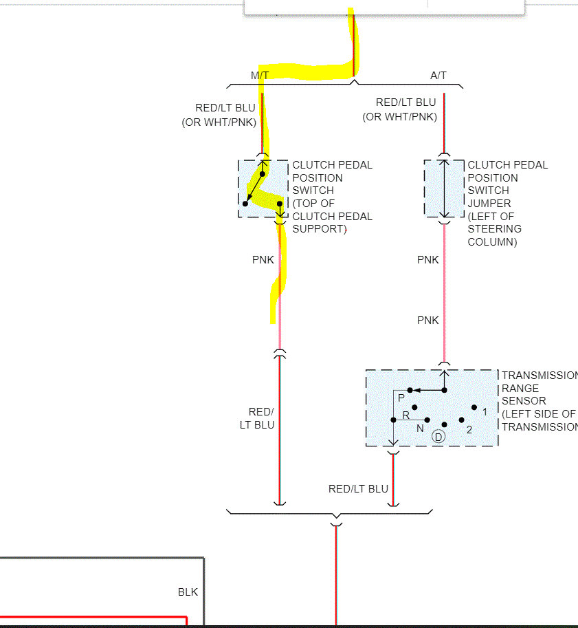
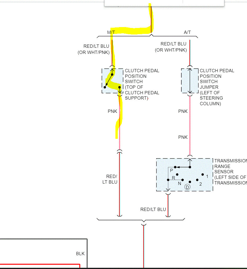
I drive the truck everyday. All has been working well. Started the truck and backed it into the driveway and turned off. I realized the truck could go back farther so went to start back up and there was no power to anything. Door locks, lights, ignition, dash all dead. Next morning went to check everything is dead, the battery is warm to the touch and making a slight gurgling noise. I'm also smelling a smell like rotten eggs. Any suggestion as to what to look at first would be appreciated. The battery is only 2 years old and had full power when I first started.
Aug 20, 2014 at 5:03 AM












