☰
Login
Join
×
Home
Answered Questions
Repair Topics
Repair & Service Guides
Popular Questions
Warning Lights
Trouble Codes
How It Works
Testing / Diagnostics
Symptoms
Videos
Login
Become a Member
Home
Hyundai
Sonata
Engine
Computer
No Communication
Wiring Diagram
2002 HYUNDAI SONATA
NAEL
MEMBER
1 POST
FOLLOW
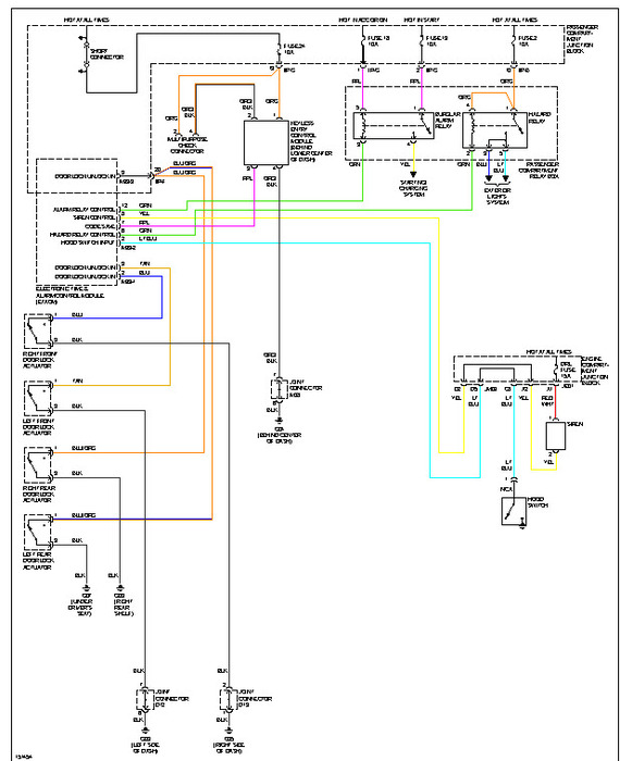
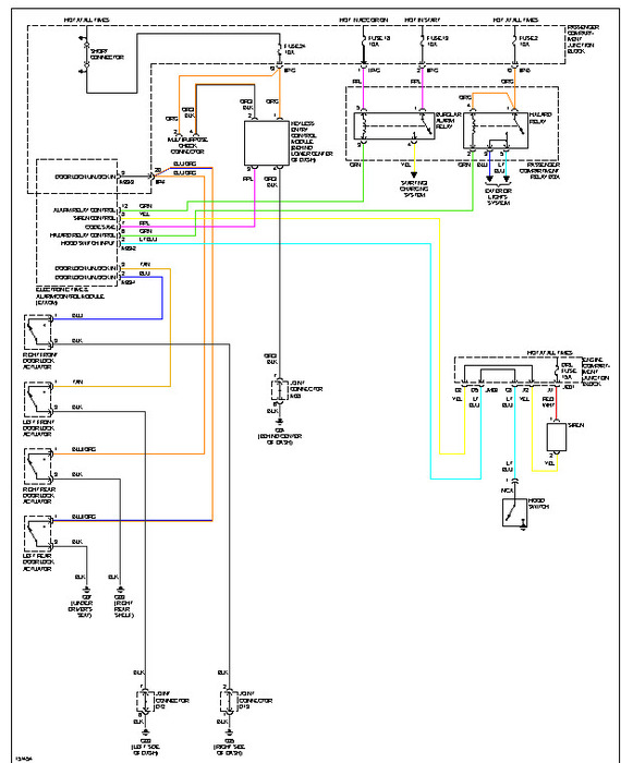
Wiring Diagram Circuit Immobiliser Connect Engine to Computer Model Connectors
Apr 27, 2012 at 9:29 PM
Advertisement
HMAC300
CERTIFIED EXPERT
48,601 POSTS
hope you can blow it up enough to read it.
Image (Click to enlarge)
Apr 27, 2012 at 10:22 PM