Engine mounts?

2002 INFINITI I35
160,000 MILES
Avatar
ANONYMOUS
  • MEMBER
  • 1 POST
how many different motor mounts in the 2002 infiniti i-35 model, --the front mount, the transmission mount, the passenger front mount and which one else?
Oct 20, 2012 at 6:17 PM
Advertisement
Avatar
ASEMASTER6371
  • CERTIFIED EXPERT
  • 52,796 POSTS
Hello,

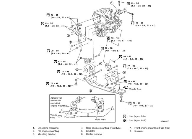
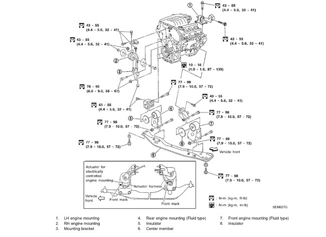
There is two side and two bottom mounts just out the diagrams below to see for yourself. Check out the diagrams (Below). Please let us know if you need anything else to get the problem fixed.
Oct 20, 2012 at 7:16 PM
Avatar
2CP-ARCHIVES
  • MEMBER
  • 4,540 POSTS
How many engine mounts and transmission mounts are on a 02 infiniti i35 wired and unwired
Jan 30, 2019 at 2:10 PM (Merged)
Advertisement
Avatar
HMAC300
  • CERTIFIED EXPERT
  • 48,601 POSTS
mounts pinted out in pic the two front bottom ones are wired.
Jan 30, 2019 at 2:10 PM (Merged)