Engine shut off while driving, cranks but will not start

2002 MITSUBISHI MONTERO
45,000 MILES • 6 CYL • 4WD • AUTOMATIC
Avatar
BONNIE HENRY
  • MEMBER
  • 4 POSTS
Vehicle listed above is the Sport model. I was driving down the road and it just shut off on me. now it will turn over but not start. put a new fuel filter on and new camshaft sensor. the it's not getting spark to spark plugs or no fuel. when they took the fuel pump out and direct wired it it was pumping fuel. so what else could we might check? Please can someone help me? thanks
Sep 6, 2020 at 6:25 PM
Advertisement
Avatar
JACOBANDNICKOLAS
  • CERTIFIED EXPERT
  • 110,175 POSTS
Have you replaced the crankshaft position sensor as well or only the cam sensor?

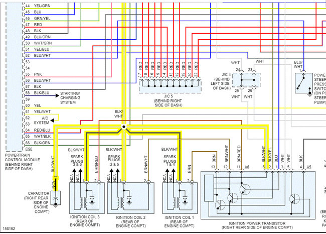
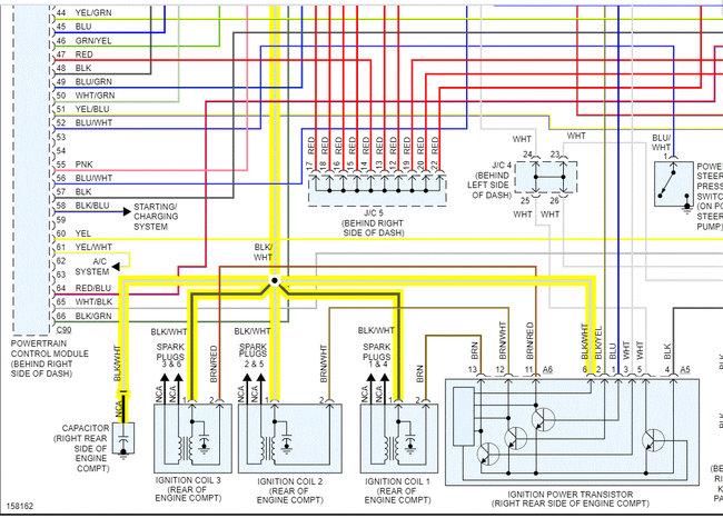
I attached two pics from the power-train management schematics below. I highlighted the wiring that is directly related to both the fuel and spark issues. I couldn't get the center portion to copy, but you will see that there is a fuse that ties into both systems which is located in the vehicle's junction block. (left side behind dash)

Check that fuse. In addition to checking the fuse, confirm there is power to it.

https://www.2carpros.com/articles/how-to-check-a-car-fuse

Let me know what you find.

Joe

Sep 6, 2020 at 7:01 PM
Avatar
KASEKENNY
  • CERTIFIED EXPERT
  • 18,907 POSTS
I suspect we have a crank sensor issue. Here is a guide that talks more about this:

https://www.2carpros.com/articles/symptoms-of-a-bad-crankshaft-sensor

The ECM uses the crank sensor to determine engine position to fire the plugs and injectors so if you are missing the crank signal it will not fire either one.

Review this material and let me know if you have questions. Thanks
Sep 6, 2020 at 7:03 PM
Advertisement
Avatar
BONNIE HENRY
  • MEMBER
  • 4 POSTS
Thanks. where is the crank sensor located?
Sep 6, 2020 at 8:02 PM
Avatar
JACOBANDNICKOLAS
  • CERTIFIED EXPERT
  • 110,175 POSTS
Hi,

Bonnie, the crankshaft position sensor is located right above the crankshaft sprocket. (see pic 2) If you look at pic 1, it shows the assembly. In this case, you will need to remove the lower timing belt cover and crankshaft pulley to access the part. Pic 2 shows very basic directions for replacement.

_________________________________

Let me know if this helps or if you have other questions.

Take care,
Joe
Sep 6, 2020 at 8:21 PM