Tachometer not working

2002 NISSAN SENTRA
4 CYL • 2WD • AUTOMATIC
Avatar
BJEDGES
  • MEMBER
  • 1 POST
RPM gauge not working? Please help
Feb 1, 2011 at 11:21 PM
Advertisement
Avatar
BUDDYCRAIGG
  • CERTIFIED EXPERT
  • 2,262 POSTS
Hello,

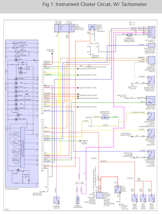
It looks like you might have a fuse out because it takes two to run the cluster and tach. Here is a cluster wiring diagram and a guide to help you check for power and ground and also a signal from the cruise control which is where the tach gets its signal from.

https://www.2carpros.com/articles/how-to-use-a-test-light-circuit-tester

and

https://www.2carpros.com/articles/how-to-check-a-car-fuse

Here is the fuse location.

Check out the diagrams (Below)

Please let us know what you find. We are interested to see what it is.

Cheers
Feb 8, 2011 at 5:28 AM
Avatar
BJEDGES
  • MEMBER
  • 1 POST
Thank you I did some testing from the guide you gave and found the tachometer has bad I was able to un-solder it and install a new one from a used cluster. All fixed
Feb 10, 2011 at 5:08 AM
Advertisement