2002 suburban HVAC wiring diagram?

2002 CHEVROLET SUBURBAN
167,000 MILES • 5.3L • V8 • 4WD • AUTOMATIC
Avatar
GRANTJURG
  • MEMBER
  • 3 POSTS
I am unable to control the front mode or the rear blend. B0124, B0268, B0408, B0434, and B3531 codes. All are short/Open circuit or circuit malfunction codes. I have a mess to figure out. Does anyone have wiring diagrams for the auto with aux?
Mar 2, 2026 at 12:29 PM
Advertisement
Avatar
STRAILER
  • CERTIFIED EXPERT
  • 53,855 POSTS
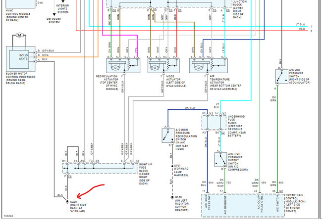
So with all of these codes it means you have a shared issue, a ground is off which I have seen before, here is the location of the ground I would check first with is at the right side of the dash pillar A. Check out the images (below). Please let us know what happens.
Mar 3, 2026 at 10:02 AM
Avatar
GRANTJURG
  • MEMBER
  • 3 POSTS
Thank you for your time and your reply! That diagram shows that same ground for the blower motor too. However, that seems to works fine. Could the ground be compromised for some but not the blower motor?
Mar 3, 2026 at 1:30 PM
Advertisement
Avatar
GRANTJURG
  • MEMBER
  • 3 POSTS
Would you happen to have the rest if the wiring diagram? One that shows the top part too. And how about the rear hvac stuff? Since I can't control the rear blend actuator, I have some kind of issue back there too.
Mar 3, 2026 at 4:38 PM
Avatar
STRAILER
  • CERTIFIED EXPERT
  • 53,855 POSTS
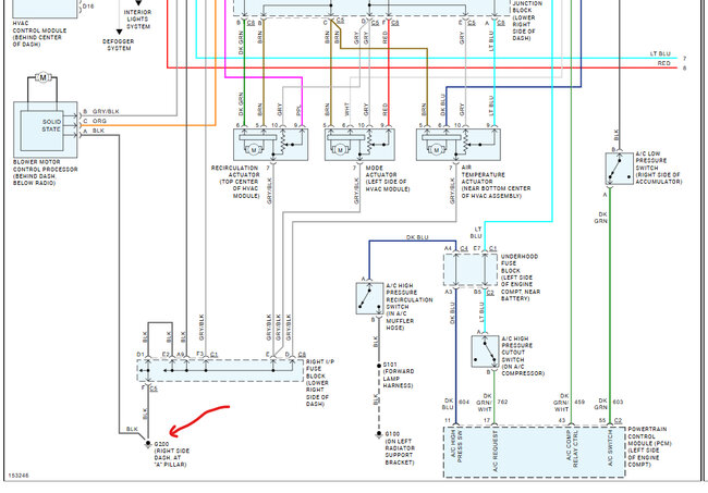
Sure, here you go. let me know what you find so it will help others. Check out the images (below). Ken
Mar 4, 2026 at 7:32 AM