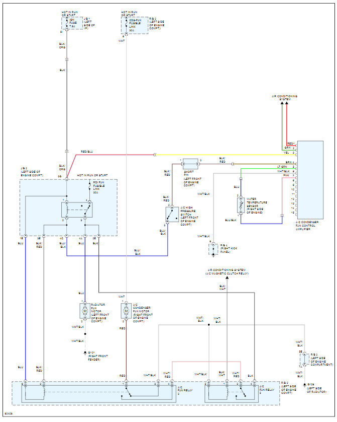
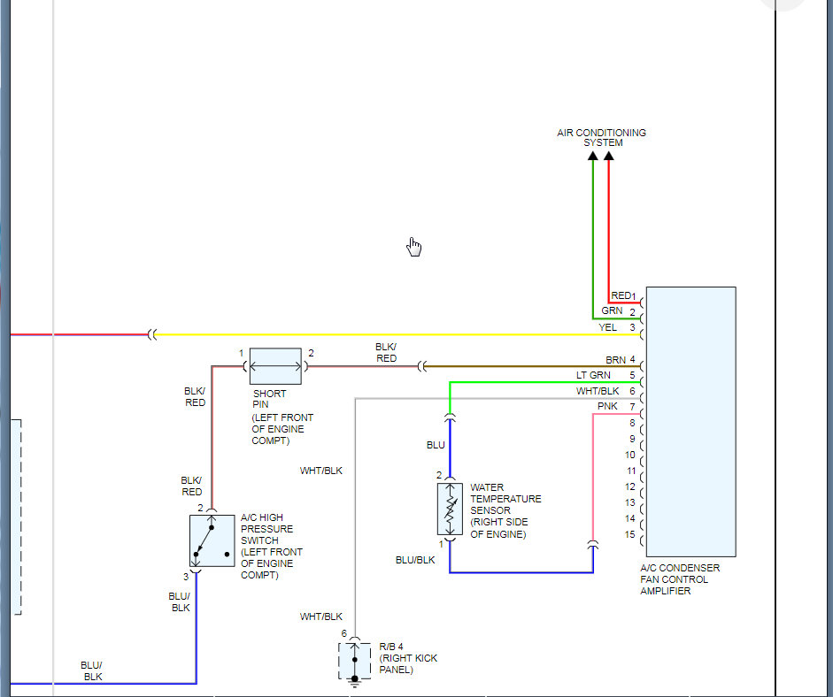
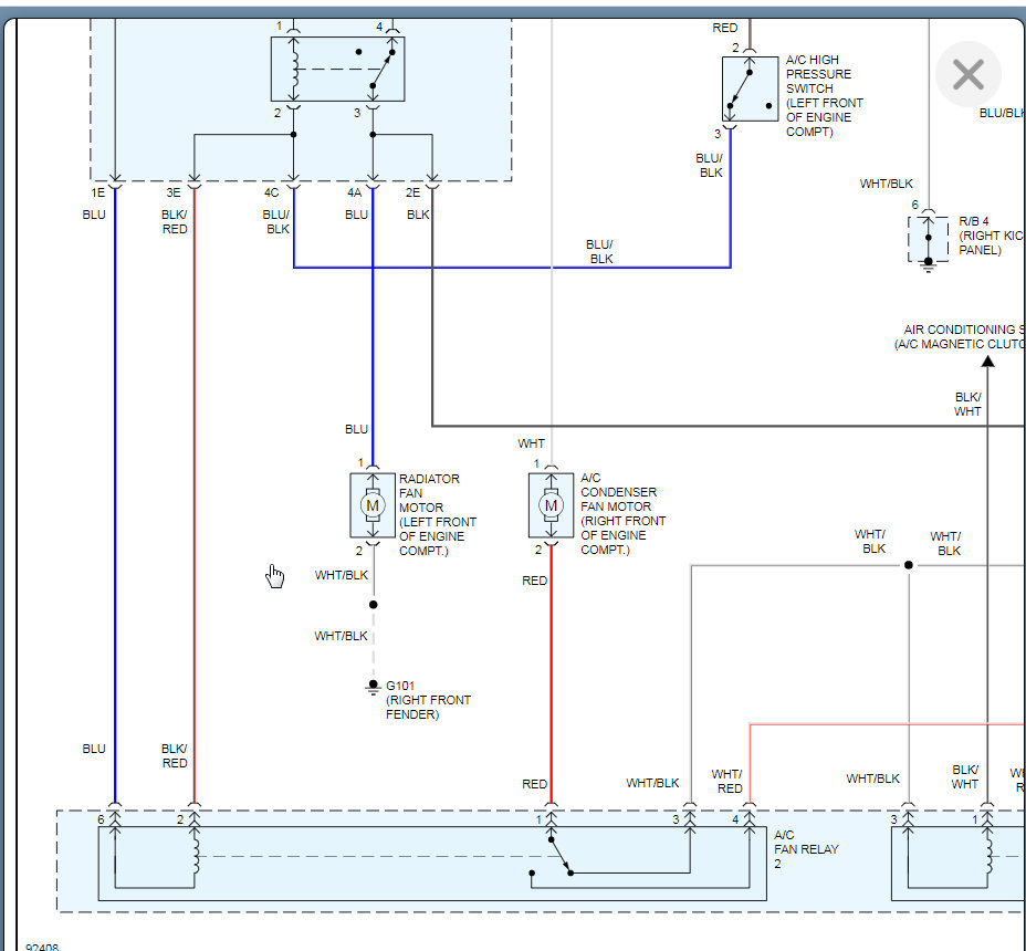
one of the cooling fans on my 2002 camry 6-cy doesn't operate. facing engine from front the right fan operates when the air is turned on, the left does not operate under any circumstances. i figure this to be the cause of several overheating episodes this past summer. with the cooler weather we're experiencing i don't seemed to have an issue. I still lose water from the raditor which i figure to be from not running with antifreeze and using regular water which evaporates?
Jan 17, 2011 at 5:03 PM




