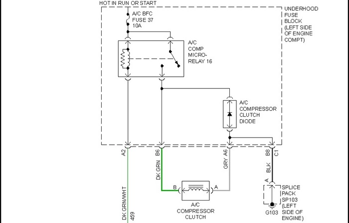
I have lost my dash indicators for fuel gage, temperature gage and my a/c does not blow cold, however when I replace this fuse it continues to blow out. What else could be a contributing factor for this?
Sep 2, 2011 at 6:45 PM










