Hello, I'm Danny.
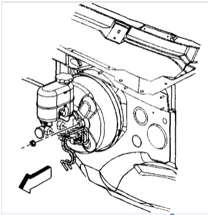
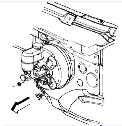
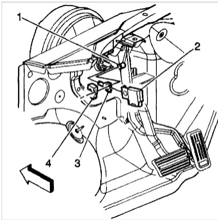
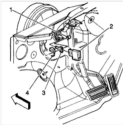
Here is the information you requested. Be sure to just move the brake master cylinder slightly out of the way so that you don't have to open a line and then have to bleed the brake system. I've attached picture steps below on how to change the power brake booster on your truck. Hope this helps and thanks for using 2CarPros.
Images (Click to enlarge)
Apr 26, 2021 at 11:41 PM