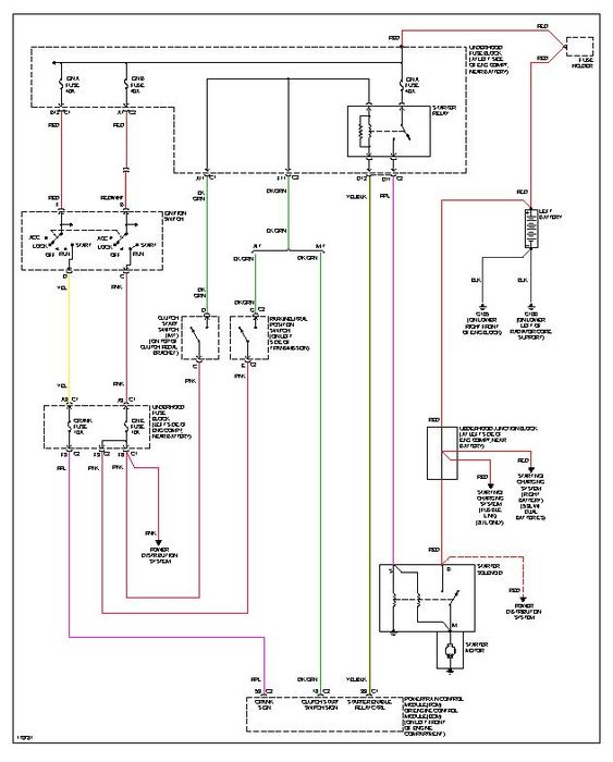
2003 gmc sierra,starter failure,wire from solenoid to starter burnt off.replaced starter but engine won,t crank.battery and connection good.start relay clicks at fuse box.tried different relay.checked ign3 and crank fuses.any other ideas?ignition switch?neutral start switch?pcm?if ignition switch held in start position and i remove start relay and reinstall,engine cranks and starts.
Oct 4, 2012 at 12:31 AM


