cruise control not working?

2003 HONDA ACCORD
120 MILES
Avatar
MREP3289
  • MEMBER
  • 1 POST
Cruise control will not engage. Cruise light is on but the 2nd light comes on and goes off immediately when trying to set the cruise. I have changed fuses #7 and #13 but still not working.
Apr 14, 2011 at 2:58 PM
Advertisement
Avatar
KASEKENNY
  • CERTIFIED EXPERT
  • 18,907 POSTS
More then likely this is a brake light switch that is just barely remaining on. These switches are pressure switches so they tell the module what the pressure is on the sensor and if the sensor is starting to fail or out of adjustment then it can actually make the module think you are pressing the pedal even though your foot is not on it. This will cause the cruise to disengage as soon as you set it.

The fact that the lights are all coming on but it is just not engaging tells us that it is being aborted. That would be the switch.

I attached the adjustment procedure. If this doesn't work then we need to replace it.

Here is a video that will show you how to do that:

https://www.youtube.com/watch?v=RBCDVfzNQGk

Let me know what questions you have. Thanks
Dec 4, 2020 at 12:53 PM
Avatar
JEEMO
  • MEMBER
  • 5 POSTS
Is the problem resolved or not?
Jul 14, 2021 at 10:49 PM
Advertisement
Avatar
JEEMO
  • MEMBER
  • 5 POSTS
The cruise control does not work and the slide has been changed inside the steering wheel, but the cruise control disconnects and returns to be installed again and the installation lights are working.
Jul 14, 2021 at 10:51 PM
Avatar
KASEKENNY
  • CERTIFIED EXPERT
  • 18,907 POSTS
Hi JEEMO,

Just to confirm, do you have the same vehicle as listed above on this post? If so, and your cruise light stays on when you engage cruise but the actual function will come on and go off but the light remains on?

If this is the case then we need to start with checking voltage on the actuator when this is happening.

That is going to require a few feet of wiring so that you can back probe these circuits and then run the wiring into the vehicle so you can watch it while you are driving.

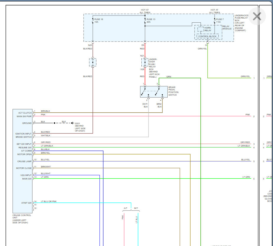
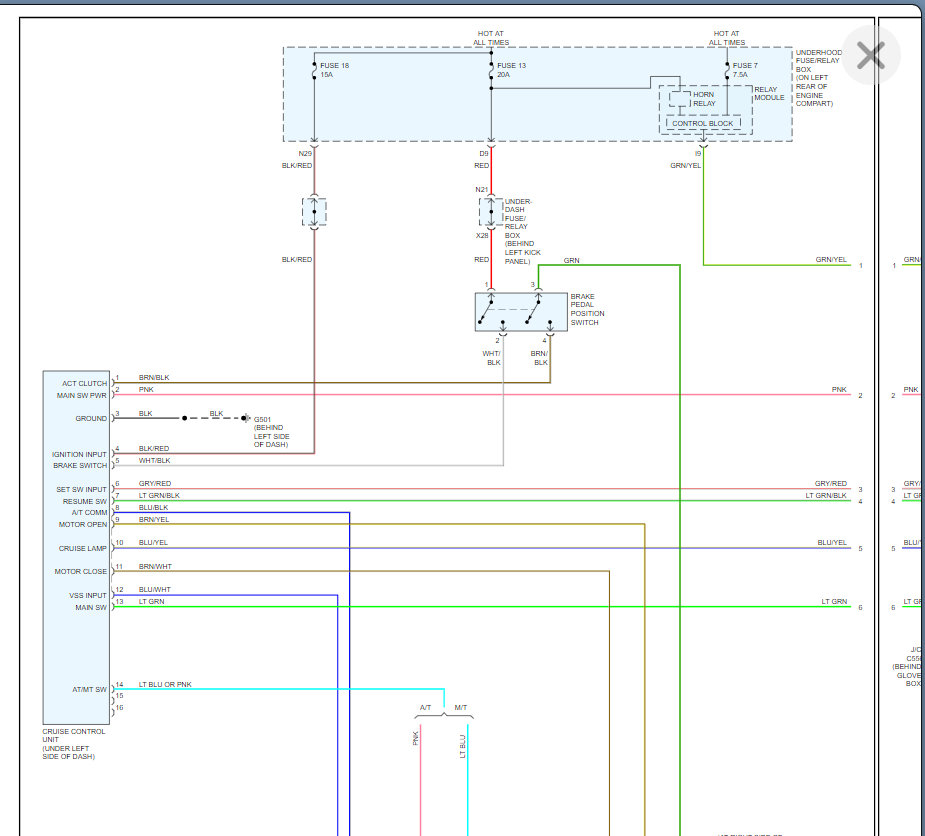
If your light is remaining on then I suspect you have a different issue then the previous member. If you look at the actuator on the wiring diagram, if it gets any input from the brake pedal position switch then it will disable the cruise as it thinks you are pressing the brakes.

But if yours is going off and then coming back on by itself then you have a different issue because that will not happen if you press the brake.

https://www.2carpros.com/articles/how-to-check-wiring

What we are looking for is if the voltage to the motor is go away and coming back in accordance with the operation.

Please review this diagram and let me know if you have questions on this.
Jul 15, 2021 at 8:08 AM