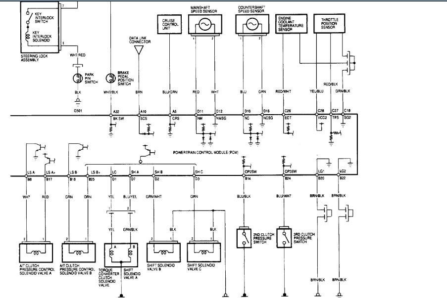
Shift solenoids

2003 HONDA ACCORD
97,000 MILES
Avatar
MARKSDISCORD
  • MEMBER
  • 4 POSTS
I have a 2003 Honda accord v6 automatic... I'm no slouch when it comes to mechanics.. I know enough to keep me out of trouble.. But for the life of me I can't find a schematic or parts layout for my automatic transmission... I've replaced the speed sensor when it went out and that was because I ordered the part and looked for its bad counterpart in my car to replace it... Right now I'm facing the problem with third gear not engaging properly.. I've narrowed the problem down to a malfunctioning solenoid.. But witch one? It has solenoids all over the transmission.. But only one is bad.. Part stores only list two parts.. Solenoid A and the part with the two solenoids on a plate.. Mechanically there is no grinding or chatter.. The transmission fluid (upon removal.. Cleaning and reinstalling the plate with the two solenoids on it) has a very light contamination of a graphite like flotsom.. Not thick or black.. And no metal flakes.. My questions where can I get a schematic and parts description for my transmission.. And to rule out the potential answer.. Haynes guide is useless and chiltons only covers fluid change..
Aug 17, 2013 at 3:19 PM
Advertisement
Avatar
DRCRANKNWRENCH
  • CERTIFIED EXPERT
  • 3,380 POSTS
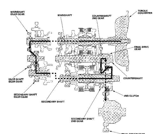
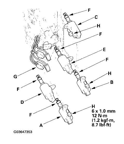
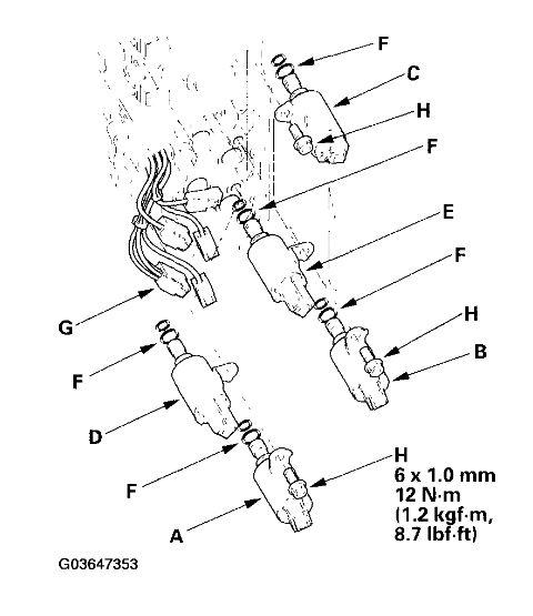
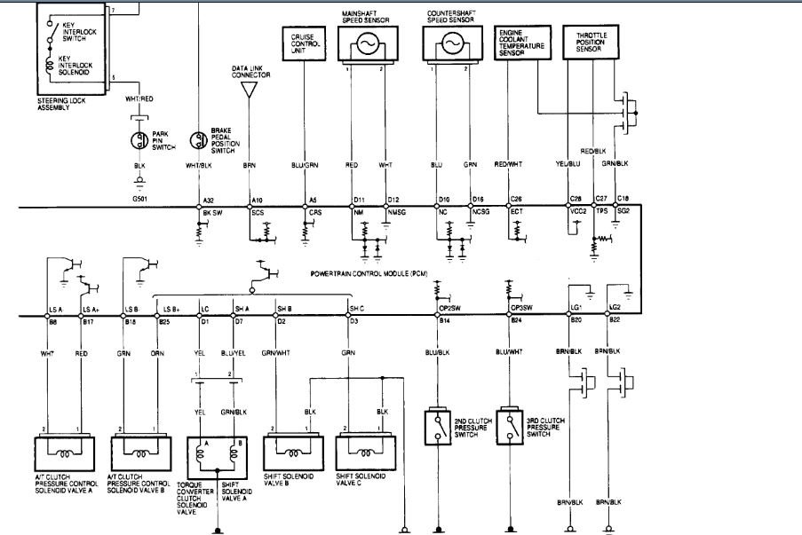
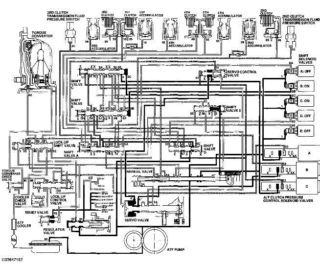
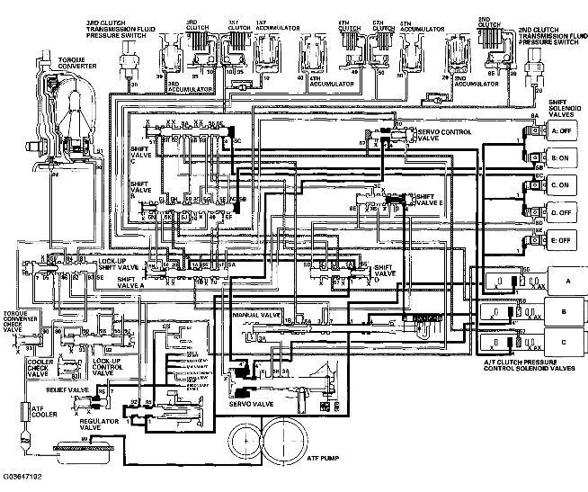
I am attaching all the instructions and diagrams I have. You might try pulling the trouble codes and that may help you identify the solenoid in question.

Check the diagrams at the end they show the solenoids
Aug 17, 2013 at 5:40 PM
Avatar
DRCRANKNWRENCH
  • CERTIFIED EXPERT
  • 3,380 POSTS
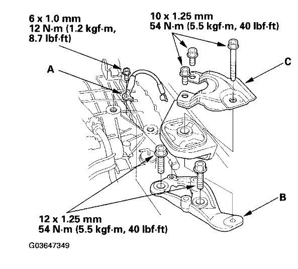
One more diagram
Aug 17, 2013 at 5:41 PM
Advertisement
Avatar
MARKSDISCORD
  • MEMBER
  • 4 POSTS
Thank you.. Tonight I changed the transmission fluid with some success... Second to third gear shift is working better... Not perfect.. But should buy me some time to get the parts and study the information you gave me.. First order on the list is to get the radio code.. The strange part about all this is so far I haven't gotten so much as a check engine light... No emergency indicators.. No error lights at all... Will have to find someone with a code reader to see if anything comes up..
Aug 17, 2013 at 7:52 PM
Avatar
MARKSDISCORD
  • MEMBER
  • 4 POSTS
Yea every part of the operation of the transmission works great but the shift from second to third went to pot.. After the fluid change and removal and cleaning of the top solenoid plate (the dual near the speed sensor) I have third gear again.. With intermittent errors in shifting..
Aug 17, 2013 at 7:55 PM
Avatar
DRCRANKNWRENCH
  • CERTIFIED EXPERT
  • 3,380 POSTS
Even though a check engine light does not come up it does not mean you don't have trouble codes in the ECU. See if Advance Auto ro Auto Zone has an OBD reader to loan out. You can inquire at their parts counter. I was looking more after I sent you the message and found that the solenoids are refered to by letter, at least in this manual, and I have some information on solenoids A though C and some on D. So if you come across anything that refers to them by letter I can give you some more information.
Changing the fluid can get a sticky solenoid to loosened up as the port holes and tolerances are tight and collect contaminants easily. So, a fluid, and filter if applicable, will sometimes loosen up a sticky solenoid and fix the problem with a little time.
Let me know how it goes and if I can be of any further help.
Take Care.
Dr. C
Aug 17, 2013 at 8:19 PM
Avatar
MARKSDISCORD
  • MEMBER
  • 4 POSTS
Still having difficulty shifting into third.. Sometimes it shifts.. Sometimes it's delayed.. Sometimes it hangs... I'm still sure it's the solenoid... Now which one...
Aug 19, 2013 at 6:56 PM
Avatar
DRCRANKNWRENCH
  • CERTIFIED EXPERT
  • 3,380 POSTS
I cannot give you anymore information than I have. Sometimes companies like Honda won't release all their information because it is proprietary. My suggestion would be to call a Honda parts dealer and get the parts department to tell you if solenoids are designated by a letter and if so which one is it that you need to replace.
Aug 29, 2013 at 6:46 PM
Avatar
BMC918CAN
  • MEMBER
  • 1 POST
Mine was doing the same thing, threw a solenoid A code... I checked 5 of the 6 solenoid a, all were good... Decided to change the inline filter(just to the right of the plate with 2 solenoids and the 11/16 bolt that sends fluid down the black rod to the transmission had a piece of the orange porcelain from the filter lodged in it... The filter had broken away on one end from the metal of the filter... You can't really see it, but lip of the 11/16 bolt on the inside scaring from that piece of porcelain rubbing...
Dec 9, 2015 at 2:13 PM
Avatar
RGOLOBIC
  • MEMBER
  • 8 POSTS
2002 Honda Accord 3.0 V6 Engine code P0780 - Everybody say Transmission rebuild? What Can I try before I have to commit to $3000 Dollars. Or can I tests some shift solenoid and figure out which one is the issues. And should I do a Power flush of the transmission?

Ryan
Jan 21, 2021 at 1:45 PM (Merged)
Avatar
DOCFIXIT
  • CERTIFIED EXPERT
  • 18,828 POSTS
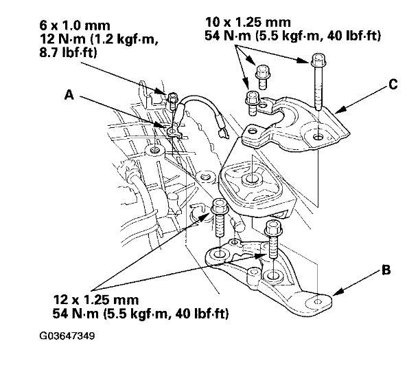
That code is hydraulic failure if no other codes try replacing Lock up control solenoid valve"A" assembly and A/T Clutch Pressure Control Solenoid Valve "A/B"Assembly no gauranty it will solve
Jan 21, 2021 at 1:45 PM (Merged)
Avatar
KHLOW2008
  • CERTIFIED EXPERT
  • 41,814 POSTS
DTC P0780/45: MECHANICAL FAULT IN HYDRAULIC SYSTEM
NOTE:
DO NOT perform this DTC test until all other DTCs have been
repaired first.

1. Using scan tool, retrieve freeze data. Clear DTCs and road test vehicle under same conditions freeze data was recorded. If DTC returns, go to next step. If DTC does not return, problem is intermittent. Check transaxle and PCM connections.

2. Using scan tool, check for any other DTCs. If any other DTCs are present, repair those DTCs first, then recheck for DTC P0780/45. If no other DTCs are present, go to next step.

3. Replace lock-up control solenoid valve/shift control solenoid valve "A" assembly and A/T clutch pressure control solenoid valve "A"/"B"assembly. See LOCK-UP CONTROL SOLENOID VALVE/SHIFT CONTROL SOLENOID VALVE "A" ASSEMBLY and A/T CLUTCH PRESSURE CONTROL SOLENOID VALVE "A"/"B" ASSEMBLY under REMOVAL & INSTALLATION.

4. Clear DTCs. Road test vehicle for several minutes in "D4" position. Ensure transaxle shifts into all gears. Recheck DTCs. If DTC P0780/45 returns, replace transaxle. If DTC P0780/45 does not return, system is okay.



© 2008 Mitchell Repair Information Co., LLC.
Jan 21, 2021 at 1:45 PM (Merged)
Avatar
RGOLOBIC
  • MEMBER
  • 8 POSTS
How about the Linear Soleniod? Or would that not be necessary? Also, I can change these with out removing the transmission for the car right? And do I need to replace the transmission fluid or remove it to do this? And what should I look for?
Jan 21, 2021 at 1:45 PM (Merged)
Avatar
RGOLOBIC
  • MEMBER
  • 8 POSTS
The part number I have are for both is 28400-P6h-013. Is this the correct ones.
Jan 21, 2021 at 1:45 PM (Merged)
Avatar
RGOLOBIC
  • MEMBER
  • 8 POSTS
The code comes up intermitantly. Does not happen all the time? The code was clear one week ago and has not returned yet!!!!!!
Jan 21, 2021 at 1:45 PM (Merged)
Avatar
TRASHDADDY
  • MEMBER
  • 1 POST
will replacing the part fix the problem diagnostic code 0753 drive 4 is flashing and what is the part number for the part
Jan 21, 2021 at 1:45 PM (Merged)
Avatar
KHLOW2008
  • CERTIFIED EXPERT
  • 41,814 POSTS
DTC P0730/41: SHIFT CONTROL SYSTEM

NOTE:
Do not perform this DTC test until all other DTCs have been repaired first.

1. Using scan tool, retrieve freeze data. Clear DTCs and road test vehicle under same conditions freeze data was recorded. If DTC returns, go to next step. If DTC does not return, problem is intermittent. Check transaxle and PCM connections.

2. Road test vehicle at greater than 12 MPH for more than 30 seconds in 2nd, 3rd and 4th gear. Using scan tool, check for any other DTCs. If any other DTCs are present, repair those DTCs first, and then recheck for DTC P0730/41. If no other DTCs are present, go to next step.

3. Test clutch pressure. If clutch pressure is within specification, go to next step. If clutch pressure is not within specification, repair hydraulic system as necessary.

4. Replace lock-up control solenoid valve/shift control solenoid valve "A" assembly and shift control solenoid valves "B" and "C". Turn ignition off and clear DTCs. Road test vehicle at greater than 12 MPH for more than 30 seconds in 2nd, 3rd and 4th gear. Recheck DTCs. If DTC P0730/41 returns, replace transaxle. If DTC P0730/41 does not return, system is okay.

© 2008 Mitchell Repair Information Co., LLC.
Jan 21, 2021 at 1:45 PM (Merged)
Avatar
RGOLOBIC
  • MEMBER
  • 8 POSTS
And By the way, This has been a problem since about February when it first appeared.
Jan 21, 2021 at 1:45 PM (Merged)
Avatar
RGOLOBIC
  • MEMBER
  • 8 POSTS
The part number I have are for both is 28400-P6h-013. Is this the correct ones. This is wrong. 28400-p6h-013 and 28500-p6h-013 o are the part numbers I have.
Jan 21, 2021 at 1:45 PM (Merged)
Avatar
KHLOW2008
  • CERTIFIED EXPERT
  • 41,814 POSTS
I could not find the part in our database so is unable to verify if it is correct.

It is not a fault with the linear solenoid. That would cause harsh shifting.
Jan 21, 2021 at 1:45 PM (Merged)
Avatar
LOOMIETUNE
  • MEMBER
  • 1 POST
Transmission problem
2000 Honda Accord 4 cyl Front Wheel Drive Automatic 68 800 miles

my jerks everytime switching from 1st to 2nd....i replaced all the mounts and it has changed a lil bit but still has a jerk jerk....can it be the shift solenoid or anything else ?
Jan 21, 2021 at 1:45 PM (Merged)
Avatar
KHLOW2008
  • CERTIFIED EXPERT
  • 41,814 POSTS
Hi loomietune,

Yes, it seems the shift solenoids are not functioning correctly. Get a scan done to check for trouble codes. Some transmission trouble codes do not trigger the Check Engine Lamp.
Jan 21, 2021 at 1:45 PM (Merged)
Avatar
PHIVESONS6
  • MEMBER
  • 1 POST
Coding - Trans. shift solenoid faulty
Please advise. Does this mean we need a rebuilt transmission or can a single solenoid be replaced? What kind of repair charge should be expected? RPM's were high but power was down (acceleration only about 40 mph). Shifting has always been questionable since it seems to take a minute or so for car to fully downshift when you come to a stop. Other than that downshifting issue, between shifts has always been relatively smooth. FYI ~ car was purchased Nov.'08 with 136000 miles. Maint. records good & timing belt changed.

I anxiously await your reply.
C
Jan 21, 2021 at 1:45 PM (Merged)
Avatar
RASMATAZ
  • CERTIFIED EXPERT
  • 75,992 POSTS
There's a few shift solenoids within the valve body hard to say which one is causing the problem.


https://www.2carpros.com/forum/automotive_pictures/12900_shift_solenoids_1.jpg

Jan 21, 2021 at 1:45 PM (Merged)
Avatar
CASTROJG
  • MEMBER
  • 2 POSTS
Transmission problem
1999 Honda Accord 4 cyl 177,00 miles

When taking off, while still cool, it does not do too much of this, once it's warmed up, it start slipping (gears). I handle it as if it were manual, listen to the engine, let go of accelerator, it goes into gear, then I accelerate again. The real, real problem is when I come to a stop. It takes about 2 - 3 seconds, then it jerks, and then goes into low gear. When I put it in reverse, it makes like a crunching noise, it thumps, then jerks, the gets in gear. It's smell, after being in high gear (highway, runs fine on highway), like of burnt oil. I've been bad and have not had the transmission oil work/change done, since I got it 1 yr ago.
Jan 21, 2021 at 1:45 PM (Merged)
Avatar
KHLOW2008
  • CERTIFIED EXPERT
  • 41,814 POSTS
Hi castrojg,

Since it is running fine when it is cold, replace the fluid and see if it improves the situation. Bad fluid can cause the symptoms described.

Did the D4 lamp blinks while driving?
Jan 21, 2021 at 1:45 PM (Merged)
Avatar
CASTROJG
  • MEMBER
  • 2 POSTS
Yes! It blinks, even after I change the gear to reverse, park, or any other gear. When I am arriving at approximately 20 mph, to stop, the car downshifts, as if downshifting in a manual trans car, to first gear (from 3rd). Once it has downshifte on it's own, then resume after a stop, the car seems to drag, as if in a very low gear or as if hauling a very heavy load. The car must be turned off so the blinking D4 light will turn off, then again, the downshift, blinking, and heavy drage. Please help. P.S. - fluids have already been replaced, as well as a tune-up
Jan 21, 2021 at 1:45 PM (Merged)
Avatar
KHLOW2008
  • CERTIFIED EXPERT
  • 41,814 POSTS
When the D4 light is blinking, an error in the trans control/managment has been detected and you need to retrieve the Diagnostic Trouble Code ( DTC ) to understand which component is malfunctioning and the rectification to be carried out.

Most parts outlets would perform the scan free for you. Let me know the exact DTC.
Jan 21, 2021 at 1:45 PM (Merged)
Avatar
  • MEMBER
  • 1 POST
Okay, my car will not shift in gears.The only way it will shift is revving it up passed 1,500 rpm's then it will shift. I have not replaced the shift solenoids yet, but I think this is the problem. My question is, I think I have a shift solenoid on top of the engine and one towards the bottom, I think they call this A and B solenoids. I already have talked to another mechanic and he replaced both of his solenoids with brand new ones and had a flush done he said that fixed the problem. Before I invest in buying solenoids, do you think this is going to solve my problem or do I need to look at something else? I already bought a new transmission and it still does the same. I can drive my car in low gear and it will go, I can drive my car in regular gear as long as i get up to fifty mph then it will shift in drive, but it is not shifting gears at low speeds. I have the EX model. Here is my VIN number: 1HGCG3277XAO16979.
Jan 21, 2021 at 1:45 PM (Merged)
Avatar
ASEMASTER6371
  • CERTIFIED EXPERT
  • 52,796 POSTS
Good afternoon.

The first thing I would do is verify you have power to the shift solenoids. They will not work without power and that power comes from the PCM. Use a volt meter and check the powers. There are other solenoids in the valve body as well. These work or are commanded to work based on the vehicle speed sensor input and the speed sensor on the transmission as well. When the PCM sees those signals, it will command the shift solenoids on and off.

If you know someone with an advanced scan tool, you can access the transmission and drive the car and command the solenoids on and off to see if the transmission shifts.

Do you have any codes stored?

Roy

https://www.2carpros.com/articles/automatic-transmission-problems

Jan 21, 2021 at 1:45 PM (Merged)
Avatar
TERRYLE00
  • MEMBER
  • 4 POSTS
I have a 98 honda accord v6 and i am having trouble locating the shift solenoid can anyone please help it is solenoid # 7 on the illustration.


https://www.2carpros.com/forum/automotive_pictures/455821_solenoids_2.jpg

Jan 21, 2021 at 1:45 PM (Merged)
Avatar
HONDA TECH 1818
  • CERTIFIED EXPERT
  • 536 POSTS
It's above the starter to the right, it's hard to look because it's behind the wire harness. Here is a better diagrams for the location below. Check out the diagrams (Below). Please let us know if you need anything else to get the problem fixed.
Jan 21, 2021 at 1:45 PM (Merged)
Avatar
MIKEDEROUIN88
  • MEMBER
  • 137 POSTS
Hello again!

I am working on a 1996 Honda accord 2.2 The car wont shift at all if you take off in (D4). However if you manually shift from (1) to (2) it shifts great but no (D3) or (D4). My theory is that the (3-4) solenoid has failed since (D4) controls the auto shift as well. I would like to swap these solenoids off another transmission to test this, before I tell my customer he needs a transmission.

What I need from you is a diagram of which solenoids are for what on this transmission. Any other pointers would be great as well. And to help you out there are no codes, the fluid is bright red and un-burnt and it is a non serviceable transmission.
Jan 21, 2021 at 1:46 PM (Merged)
Avatar
ASEMASTER6371
  • CERTIFIED EXPERT
  • 52,796 POSTS
the upper solenoid is the lock up solenoid.

the lowers are a/b shift solenoids. they are replaced as an assembly.

Roy
Jan 21, 2021 at 1:46 PM (Merged)
Avatar
KHLOW2008
  • CERTIFIED EXPERT
  • 41,814 POSTS
Honda is different from others. The solenoids A and B are for all shifting modes. The valve body is the one doing the up and down shifting, of course with the aid of the TCM and solenoids.

Do you have any trouble codes?
Is the TPS functioning correctly?
After manually shifting from 2 to D3 or D4, what happens?

Jan 21, 2021 at 1:46 PM (Merged)
Avatar
MIKEDEROUIN88
  • MEMBER
  • 137 POSTS
No trouble codes and no response at all in D3 or D4 . Is A for 1-2, and B for 3-4? Even though they are replaced as an assembly? Is the valve body accessabl through the pan?
Jan 21, 2021 at 1:46 PM (Merged)
Avatar
KHLOW2008
  • CERTIFIED EXPERT
  • 41,814 POSTS
No trouble codes and no response at all in D3 or D4. Does that mean the engine is revving up?

Is A for 1-2, and B for 3-4? I mentioned earlier, they are used by all gears and is only on/off solenoids for pressure.

Is the valve body accessible through the pan? No, because there isn't any pan.

Looks like you have an internal fault with the valve body. Is reverse working correctly? Any slippage?
Jan 21, 2021 at 1:46 PM (Merged)
Avatar
MIKEDEROUIN88
  • MEMBER
  • 137 POSTS
Reverse works good 1 and 2 sewn to be perfectly normal, just no response out of d3 and d4. Is their a separate tcm from the ecm.
Jan 21, 2021 at 1:46 PM (Merged)
Avatar
LITTLEBIT06221983
  • MEMBER
  • 12 POSTS
These are the codes that I got from the D4 light
Code 14 = Short or open circuit in FAS wire or faulty ECM.
Code 1 = Fault in lock-up control valve A.
Code 2 = Fault in lock-up control valve B.
Code 3 = Fault in Throttle Position Sensor.
Code 7 = Fault in shift control solenoid valve A.
Code 8 = Fault in shift control solenoid valve B.

What do I need to do to fix the problem. I am not car technical but my husband is. Please help.
Jan 21, 2021 at 1:46 PM (Merged)
Avatar
ASEMASTER6371
  • CERTIFIED EXPERT
  • 52,796 POSTS
lots of codes for the trans. the odds of all those items failing is really remote.

you may have a wiring issue. i suggest a shop as a code never identifies a bad part just a failed system..
Roy
Jan 21, 2021 at 1:46 PM (Merged)
Avatar
KHLOW2008
  • CERTIFIED EXPERT
  • 41,814 POSTS
Erase the trouble codes and retest then recheck the trouble codes again. Ensure interior of vehicle is dry. Water getting to the TCM can trigger such codes.
Jan 21, 2021 at 1:46 PM (Merged)