interior/dashboard lights

2004 BUICK RENDEZVOUS
102,000 MILES • V6 • AWD • AUTOMATIC
Avatar
CJM1377
  • MEMBER
  • 1 POST
they don't work and the fuse isn't blown. i am hoping that there is just a bulb replacement needed but not sure how to go about it. thank you. i would like to be able to do this myself with a little guidance. autozone told be to replace the interior light bulb, but have no idea where it is located. there really isn't a dome light. i have looked through the manual and still can't figure it out. thank you again in advance.
Jan 31, 2014 at 12:22 PM
Advertisement
Avatar
STRAILER
  • CERTIFIED EXPERT
  • 53,855 POSTS
Hey,

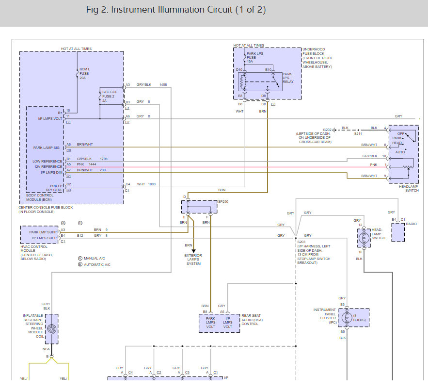
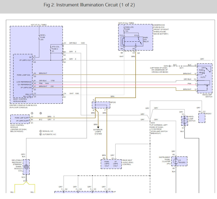
It sounds like it could be a BCM L fuse or the BCM has gone bad let's start with the fuse. Here is a guide on how to test it and diagrams below to show the location with the wiring diagrams for the courtesy lights and the instrument panel light so you can see how the system works.

https://www.2carpros.com/articles/how-to-check-a-car-fuse

Check out the diagrams (Below). Please let us know what you find. We are interested to see what it is.

Cheers, Ken
Dec 26, 2016 at 7:22 PM
Avatar
REY-GTS
  • MEMBER
  • 1 POST
Thanks you so much for this post I had this problem the fuses were okay the BCM was bad which I found used one for cost me $120.00 all fixed! I love this site.

Oct 24, 2018 at 5:42 PM
Advertisement
Avatar
JOHNMASON122
  • MEMBER
  • 1 POST
My dash lights keep blinking on and off.
Conductor 1 comes up on the dash board.
My electric locks work then they don't.
Something is draining my battery every night, the battery is new.
Oct 24, 2018 at 5:44 PM (Merged)
Avatar
HMAC300
  • CERTIFIED EXPERT
  • 48,601 POSTS
have a pro do a parasitic draw for battery and scan for codes
Oct 24, 2018 at 5:44 PM (Merged)
Avatar
LUVSKNRT
  • MEMBER
  • 1 POST
Put key in ignition. Turn key to first stop, dash lights, door locks and such start this clicking on and off for about five to ten seconds, then stop. Turn the key the rest of the way and van starts fine. If clicking is ignored and ignition/engine start initiated anyway (before it stops), it wants to run rough, sometimes cranks, runs rough, then shuts off. Sometimes cranks, almost, and sometimes just will not start period. and not every time you go ahead and start it while the clicking is happening, but enough that you really do not want to ignore it. Also seems to have something to do with whether the A/C button will actually make the compressor kick on or not but not always. Husband thinks it has something to do with the security system. something in the rear side panel that you can hear clicking coming from as well. So far, do not really know what is wrong. Did not begin having these problems until we had new keys with new chips made when the factory key quit working. Also, if key is not inserted with right (correct) side up, the security light in center dash comes on. Can be stopped by turning off and turning key over and starting again. If you go ahead and drive with the security light on, all but the most necessary functions quit working until you reset the system.

I am not the master mechanic my husband is, he has thirty five years experience.

Help!
Oct 24, 2018 at 5:45 PM (Merged)
Avatar
STRAILER
  • CERTIFIED EXPERT
  • 53,855 POSTS
Hello,

This sounds like you have one of two problems, first is a bad battery or the BCM is failing and needs to be replaced, Here is a wiring diagram so you can do some testing and a guide to help you as well if needed.

https://www.2carpros.com/articles/how-to-check-wiring

and

https://www.2carpros.com/articles/car-battery-load-test

Please run some tests and get back to us so we can continue helping you.

Cheers, Ken

Oct 24, 2018 at 5:45 PM (Merged)