alternator wiring diagram please?

2004 CHEVROLET SILVERADO
100,000 MILES • V8 • 4WD • AUTOMATIC
Avatar
X1LIFE1CHANCE
  • MEMBER
  • 1 POST
does and where is the alternator fuse located on a 2004 Chevy z71? I need the wiring diagrams
Jan 10, 2011 at 7:43 PM
Advertisement
Avatar
STRAILER
  • CERTIFIED EXPERT
  • 53,855 POSTS
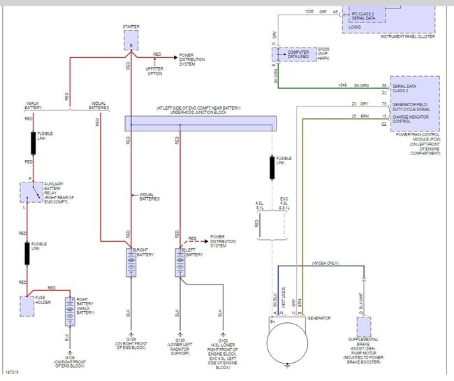
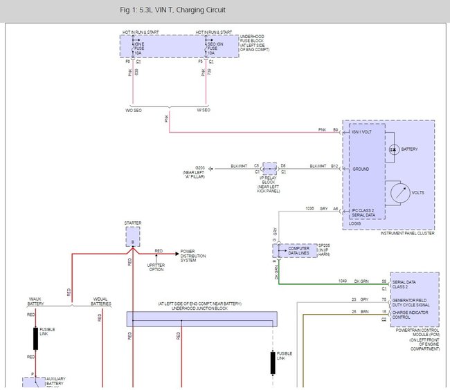
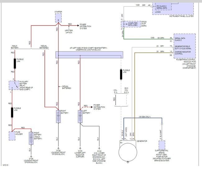
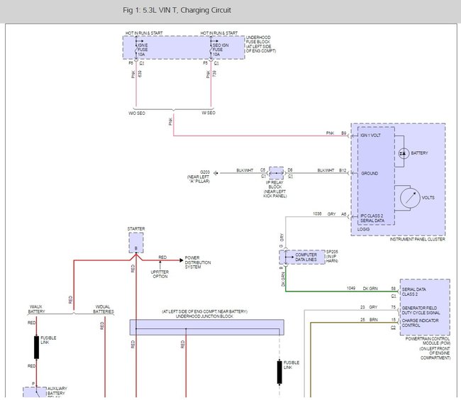
Hello there, the alternator is fused by two fuses and a fusible link under the hood fuse panel, here is a wiring diagram and a guide to help you. Use a test light to check for power at the back of the alternator and each fuse. Fuse IGN SEO. and Fuse IGN E

https://www.2carpros.com/articles/how-to-use-a-test-light-circuit-tester

Here are the fuse locations (below) Check out the diagrams. Please run some tests and get back to us.
Feb 18, 2017 at 4:44 PM